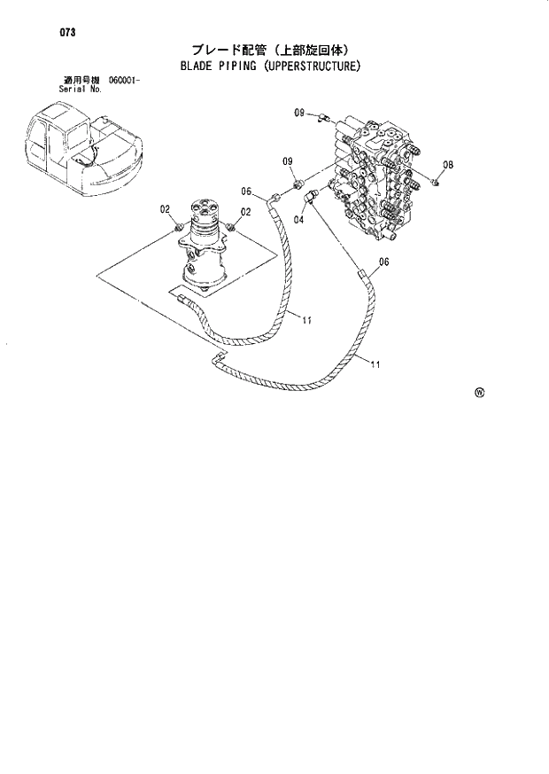
Запчасти Hitachi ZX80SBLC 073 BLADE PIPING (UPPERSTRUCTURE) 01 UPPERSTRUCTURE

Схема запчастей Hitachi ZX80SBLC - 073 BLADE PIPING (UPPERSTRUCTURE) 01 UPPERSTRUCTURE
FIT
1:1
100%

Артикул

Название

Примечание

Количество

02

A852133

ADAPTER;S

2шт.

02A

4509180

* O-RING

1шт.

03

A852143

ADAPTER;S

1шт.

03A

4506418

* O-RING

1шт.

04

A852343

ELBOW;S

1шт.

04A

4506418

* O-RING

1шт.

06

4456624

HOSE

2шт.

08

A852122

ADAPTER;S

1шт.

08A

957366

* O-RING

1шт.

09

A852322

ELBOW;S

1шт.

09A

957366

* O-RING

1шт.

11

4327293

PROTECTOR

4шт.

Выбрано товаров: 12