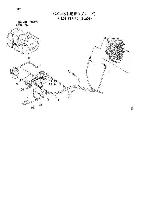
Запчасти Hitachi ZX80SBLC 117 PILOT PIPING (BLADE) 01 UPPERSTRUCTURE

Схема запчастей Hitachi ZX80SBLC - 117 PILOT PIPING (BLADE) 01 UPPERSTRUCTURE
FIT
1:1
100%

Артикул

Название

Примечание

Количество

02

4450544

HOSE;PLASTIC

1шт.

03

4450527

HOSE;PLASTIC

1шт.

05

A852522

TEE;S

1шт.

05A

957366

* O-RING

1шт.

06

A852132

ADAPTER;S

1шт.

06A

4509180

* O-RING

1шт.

07

4055312

CLIP;BAND

1шт.

09

4190274

CLIP

1шт.

10

J011020

BOLT;SEMS

0

2шт.

10

D

BOLT;SEMS

T D03/05 -

2шт.

@111

11

4190271

CLIP

1шт.

13

4411911

CLIP

1шт.

12

4327294

PROTECTOR

2шт.

14

4457105

HOSE;PLASTIC

1шт.

15

4450976

HOSE;PLASTIC

1шт.

Выбрано товаров: 16