Запчасти Hitachi ZX80SBLC 127 ELECTRIC PARTS (A) 01 UPPERSTRUCTURE

Схема запчастей Hitachi ZX80SBLC - 127 ELECTRIC PARTS (A) 01 UPPERSTRUCTURE
FIT
1:1
100%

Артикул

Название

Примечание

Количество

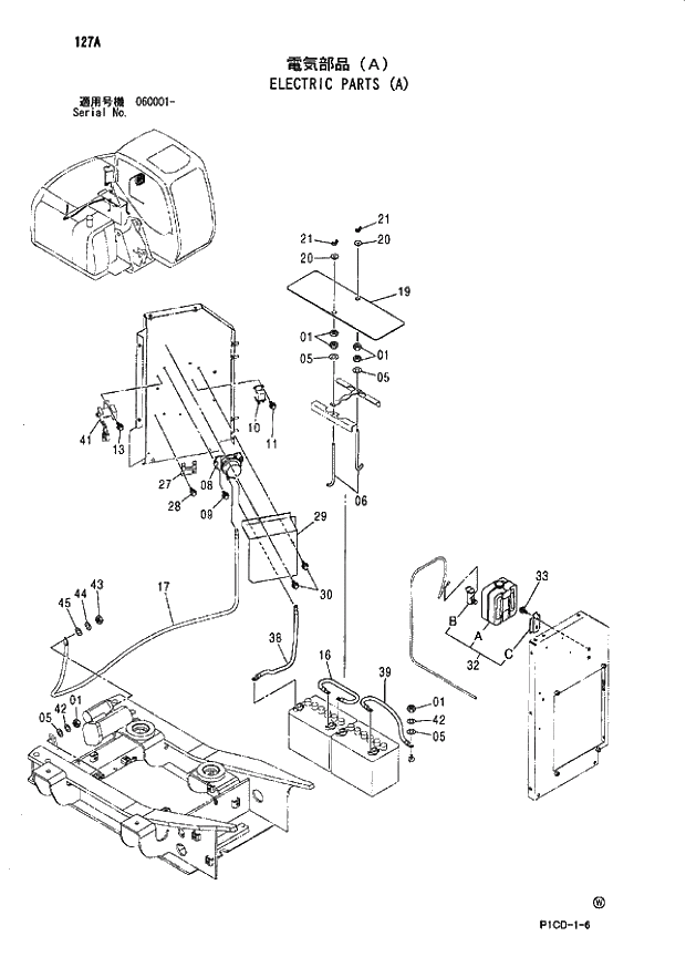
01

J950010

NUT

6шт.

05

A590110

WASHER;PLANE

4шт.

06

4177557

BOLT

2шт.

08

Z

RELAY;BATTERY

1шт.

09

J020830

BOLT;SEMS

0

2шт.

09

D

BOLT;SEMS

T D03/05 -

2шт.

@111

10

4251587

RELAY

1шт.

11

J020620

BOLT;SEMS

0

2шт.

11

D

BOLT;SEMS

T D03/05 -

2шт.

@222

13

J020820

BOLT;SEMS

0

2шт.

13

D

BOLT;SEMS

T D03/05 -

2шт.

@333

16

4350738

HARNESS;WIRE

1шт.

17

4449807

HARNESS;WIRE

1шт.

19

4427380

COVER

1шт.

20

4427417

COLLAR

2шт.

21

M570010

NUT;WING

2шт.

27

4449445

BRACKET

1шт.

28

J010820

BOLT;SEMS

0

2шт.

28

D

BOLT;SEMS

T D03/05 -

2шт.

@444

29

3091312

COVER

1шт.

30

J010820

BOLT;SEMS

0

2шт.

30

D

BOLT;SEMS

T D03/05 -

2шт.

@555

32

4333185

WINDOW-WASHER

1шт.

32A

4369472

* TANK

1шт.

32B

4326095

* MOTOR

1шт.

32C

4338974

* BRACKET

1шт.

33

J020616

BOLT;SEMS

0

2шт.

33

D

BOLT;SEMS

T D03/05 -

2шт.

@666

38

4457915

HARNESS;WIRE

1шт.

39

4457916

HARNESS;WIRE

1шт.

41

Z

RELAY

1шт.

42

A590910

WASHER;SPRING

2шт.

43

J950008

NUT

1шт.

44

A590908

WASHER;SPRING

1шт.

45

A590108

WASHER;PLANE

1шт.

Выбрано товаров: 41