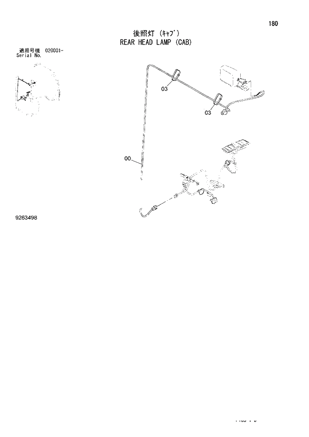
Запчасти Hitachi ZX850LC-3 180 REAR HEAD LAMP (CAB) (020001 -). 01 UPPERSTRUCTURE
FIT
1:1
100%
№
Артикул
Название
Примечание
Количество
0
4652876
HARNESS;WIRE
1шт.
3
4121859
CLIP;BAND
2шт.
Выбрано товаров: 2
№
Артикул
Название
Примечание
Количество
0
4652876
HARNESS;WIRE
1шт.
3
4121859
CLIP;BAND
2шт.
Выбрано товаров: 2