Качественные детали и логистика
Оригинальные и аналоговые запчасти с доставкой по России, Казахстану и Беларуси
©2022 PartSell ООО "Система" ИНН 2463123282 ОГРН 1212400004838
Центральный офис: г. Красноярск, Академика Киренского, д.87, пом.4
Телефон: 8 (800) 777-65-74 Email: zakaz@partsell.ru
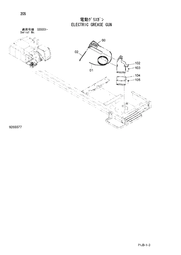
205 ELECTRIC GREASE GUN (020001 -).
№
Артикул
Название
Примечание
Количество
0
4463604
GUN;GREASE
1шт.
1
4656591
HARNESS;WIRE
2
4412914
NOZZLE
102
7041212
HOLDER
103
J271025
BOLT;SEMS
4шт.
103A
J901025
* BOLT
103B
J222010
* WASHER
104
9766308
BRACKET
105
J271235
105A
J901235
105B
J222012
Выбрано товаров: 11