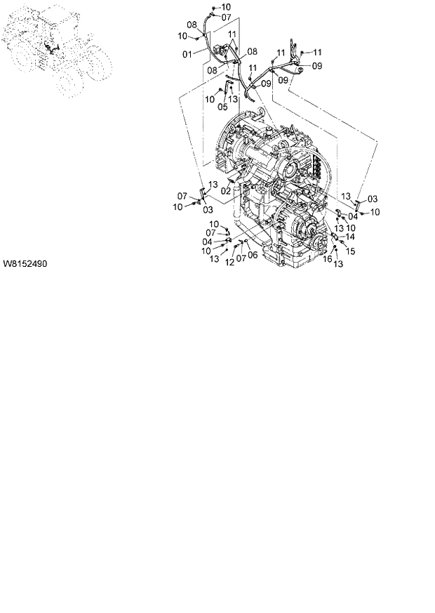
Запчасти Hitachi ZW180 123 ELECTRIC PARTS (TRANSMISSION) (000101-004999, 005101-). 05 ELECTRICAL SYSTEM

Схема запчастей Hitachi ZW180 - 123 ELECTRIC PARTS (TRANSMISSION) (000101-004999, 005101-). 05 ELECTRICAL SYSTEM
FIT
1:1
100%

Артикул

Название

Примечание

Количество

1

263F2-42031

WIRE HARNESS(T/M)

1шт.

2

HL4436537

SENSOR THERMO

1шт.

3

26612-42081

BRACKET

2шт.

4

263J2-22181

BRACKET

2шт.

5

26825-42311

BRACKET

1шт.

6

263G2-12301

TUBE

1шт.

7

HL4257159

BRACKET

4шт.

8

263G2-43241

CLAMP

3шт.

9

263G2-43261

CLAMP

3шт.

10

01183-10016

BOLT

8шт.

11

01183-10020

BOLT

5шт.

12

01183-10035

BOLT

1шт.

13

01401-00010

NUT

6шт.

14

263F2-42711

BRACKET

1шт.

15

01183-12020

BOLT

1шт.

16

02000-00010

WASHER

1шт.

Выбрано товаров: 16