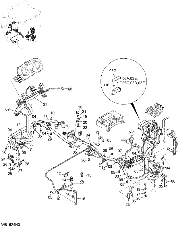
Запчасти Hitachi ZW180 134 CAB HARNESS (000101-004999, 005101-). 05 ELECTRICAL SYSTEM

Схема запчастей Hitachi ZW180 - 134 CAB HARNESS (000101-004999, 005101-). 05 ELECTRICAL SYSTEM
FIT
1:1
100%

Артикул

Название

Примечание

Количество

1

263G2-42053

HARNESS F CONSOLE 1

I 005101-005155

1шт.

@111

008101-008121

@222

000101-000212

1

263G2-42054

HARNESS F CONSOLE 1

005156-007999

1шт.

@333

008122-

@444

000213-004999

2

263G2-42231

HARNESS F CONSOLE 2

1шт.

3

263F2-42051

WIRE HARNESS

I 005101-005169

1шт.

@555

008101-008136

@666

000101-000269

3

263F2-42052

WIRE HARNESS

005170-007999

1шт.

@777

008137-

@888

000270-004999

03A

26192-42411

* FUSE(5A)

13шт.

03B

26192-42421

* FUSE(10A)

13шт.

03C

26192-42431

* FUSE(15A)

4шт.

03D

26192-42441

* FUSE(20A)

6шт.

03E

263G2-44411

* FUSE(30A)

2шт.

03F

26192-42451

* PULLER

2шт.

03G

263G2-47211

* COVER

2шт.

4

263G2-43321

CLAMP

7шт.

5

01183-10020

BOLT

19шт.

6

263G2-40602

BRACKET

1шт.

7

263G2-44091

GROMMET

1шт.

8

263G2-43341

CLAMP

2шт.

9

263G2-43351

CLAMP

1шт.

10

263G2-43261

CLAMP

2шт.

11

263G2-43281

CLAMP

3шт.

12

04913-11200

INSHULOCK

3шт.

13

263G2-40582

BRACKET

1шт.

14

HL4436271

SWITCH PRES

1шт.

15

HL4436535

SENSOR PRES

1шт.

16

263G4-50161

BRACKET

1шт.

17

263G2-43451

CLAMP

1шт.

18

263G2-43871

GROMMET

1шт.

19

HL4257159

BRACKET

2шт.

20

HL4418301

BRACKET

3шт.

21

263G2-12301

TUBE

2шт.

22

01183-10040

BOLT

2шт.

23

263F2-42661

BRACKET

1шт.

24

HL4646636

SWITCH STOP LAMP

1шт.

25

263G2-43891

BRACKET

I 005101-005288

1шт.

@999

008101-008250

@101010

000101-000423

25

263G2-43892

BRACKET

005289-007999

1шт.

@111111

008251-

@121212

000424-004999

26

01183-08025

BOLT

2шт.

27

263G2-43881

BRACKET

1шт.

28

01183-08016

BOLT

1шт.

29

01400-00008

NUT

1шт.

30

04913-11200

INSHULOCK

1шт.

Выбрано товаров: 0