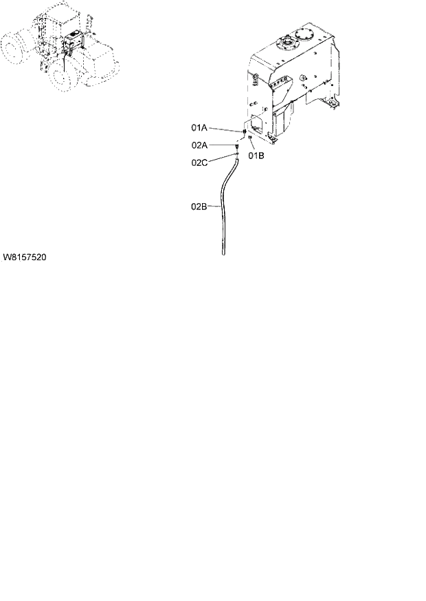
Запчасти Hitachi ZW180 188 REMOTE DRAIN (HYDRAULIC OIL) (ES) (000101-004999, 005101-). 06 HYDRAULIC SYSTEM

Схема запчастей Hitachi ZW180 - 188 REMOTE DRAIN (HYDRAULIC OIL) (ES) (000101-004999, 005101-). 06 HYDRAULIC SYSTEM
FIT
1:1
100%

Артикул

Название

Примечание

Количество

1

263G7-50061

DRAIN PLUG ASSY

1шт.

01A

263G7-52311

* BODY ASSY

1шт.

01B

263G7-52321

* CAP ASSY

1шт.

2

263G7-50071

DRAINER ASSY

1шт.

02A

263G7-52331

* DRAINER

1шт.

02B

04720-19120

* HOSE

1шт.

02C

24067-62271

* CLIP

1шт.

Выбрано товаров: 0