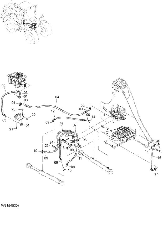
Запчасти Hitachi ZW180 193 STEERING PIPING (1) (000101-004999, 005101-). 06 HYDRAULIC SYSTEM

Схема запчастей Hitachi ZW180 - 193 STEERING PIPING (1) (000101-004999, 005101-). 06 HYDRAULIC SYSTEM
FIT
1:1
100%

Артикул

Название

Примечание

Количество

1

HLA853366

ELBOW S

3шт.

01A

03320-00240

* O RING

1шт.

2

263F4-52211

HOSE

1шт.

3

HL4187308

O RING

4шт.

4

263F4-52161

HOSE

1шт.

5

HLA853266

ELBOW S

1шт.

05A

03320-00240

* O RING

1шт.

6

HLA853366

ELBOW S

2шт.

06A

03320-00240

* O RING

1шт.

7

263F4-52071

HOSE

2шт.

8

HL4187308

O RING

2шт.

9

HL4138938

O RING

6шт.

10

HLA853444

TEE S

2шт.

10A

03320-00180

* O RING

1шт.

11

263F4-52091

HOSE

1шт.

12

263F4-52101

HOSE

1шт.

13

HLA853244

ELBOW S

1шт.

13A

03320-00180

* O RING

1шт.

14

HLA853344

ELBOW S

1шт.

14A

03320-00180

* O RING

1шт.

15

HL4279302

ADAPTER S

1шт.

15A

03320-00240

* O RING

1шт.

16

263G4-52361

HOSE

1шт.

17

HL4276940

ADAPTER S

1шт.

17A

03320-00240

* O RING

1шт.

18

263G2-43301

CLAMP

1шт.

19

01183-10020

BOLT

1шт.

20

HLA885002

PLUG

1шт.

20A

03320-00110

* O RING

1шт.

21

HLA885003

PLUG

1шт.

21A

03320-00140

* O RING

1шт.

22

HLA885006

PLUG

1шт.

22A

03320-00240

* O RING

1шт.

23

263G4-52291

PLATE

1шт.

24

263G4-52161

RUBBER

1шт.

25

263G4-52281

CLAMP

1шт.

26

01183-10070

BOLT

1шт.

Выбрано товаров: 37