Запчасти Hitachi ZW180 196 BRAKE SYSTEM (000101-004999, 005101-). 06 HYDRAULIC SYSTEM

Схема запчастей Hitachi ZW180 - 196 BRAKE SYSTEM (000101-004999, 005101-). 06 HYDRAULIC SYSTEM
FIT
1:1
100%

Артикул

Название

Примечание

Количество

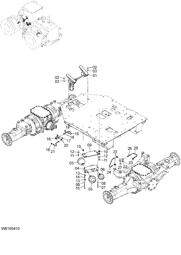
1

263G5-42013

VALVE BRAKE

I 005101-005252

1шт.

@111

008101-008237

@222

000101-000423

1

263G5-42014

VALVE BRAKE

T 005253-005288

1шт.

@333

008238-008250

1

263F5-42091

VALVE BRAKE

005289-007999

1шт.

@444

008251-

@555

000424-004999

2

01106-08030

BOLT

6шт.

3

26487-62111

WASHER

6шт.

4

263G5-42023

VALVE CHARGE

I 005101-005309

1шт.

@666

008101-008250

@777

000101-000423

4

263G5-42741

VALVE CHARGE

005310-007999

1шт.

@888

008251-

@999

000424-004999

5

263G5-42031

ACCUMULATOR

2шт.

6

263G5-42041

ACCUMULATOR

1шт.

7

01110-10100

BOLT

3шт.

8

02010-00010

WASHER

4шт.

9

263G5-40121

BRACKET

1шт.

10

26407-32001

RUBBER MOUNT

4шт.

11

01183-10040

BOLT

4шт.

12

26606-52721

WASHER

4шт.

13

HL4257159

BRACKET

2шт.

14

26555-42141

COLLAR

1шт.

15

01110-10120

BOLT

1шт.

16

263G5-40231

BLOCK

1шт.

17

01183-10020

BOLT

1шт.

18

26385-42021

NIPPLE

3шт.

18A

03320-00110

* O RING

1шт.

19

263F5-42001

TUBE

1шт.

20

26385-42951

ELBOW

1шт.

20A

03320-00110

* O RING

1шт.

21

263F5-42011

TUBE

1шт.

22

263G5-40221

BLOCK

1шт.

23

26385-42951

ELBOW

3шт.

23A

03320-00110

* O RING

1шт.

24

263F5-42031

TUBE

1шт.

25

263F5-42041

TUBE

1шт.

26

26385-42021

NIPPLE

1шт.

26A

03320-00110

* O RING

1шт.

27

01183-10020

BOLT

1шт.

Выбрано товаров: 43