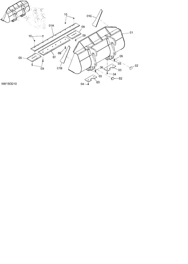
Запчасти Hitachi ZW180 229 GENERAL PURPOSE BUCKET(COUPLER TYPE) (WITH BOLT-ON CUTTING EDGE) 2.4m3 (6CF,HCF,HEF) (ODB240) (005101-). 07 LOADER ATTACHMENT

Схема запчастей Hitachi ZW180 - 229 GENERAL PURPOSE BUCKET(COUPLER TYPE) (WITH BOLT-ON CUTTING EDGE) 2.4m3 (6CF,HCF,HEF) (ODB240) (005101-). 07 LOADER ATTACHMENT
FIT
1:1
100%

Артикул

Название

Примечание

Количество

563F8-80521

BUCKET ASSY

1шт.

1

563F8-80531

* BUCKET

1шт.

01A

26758-82422

** EDGE CUTTING

1шт.

01B

563F8-82331

** EDGE SIDE-LH

1шт.

01C

563F8-82341

** EDGE SIDE-RH

1шт.

2

56500-63341

* STOPPER

2шт.

3

56600-67771

* PLATE WEAR

2шт.

4

56430-51061

* BOLT

4шт.

5

56600-51471

* WASHER

4шт.

6

56600-54751

* NUT

4шт.

7

26758-82371

* EDGE DOUBLE(CENTER)

1шт.

8

26758-82361

* EDGE DOUBLE(CORNER)

2шт.

9

56440-50031

* BOLT

12шт.

10

56600-54751

* NUT

12шт.

Выбрано товаров: 14