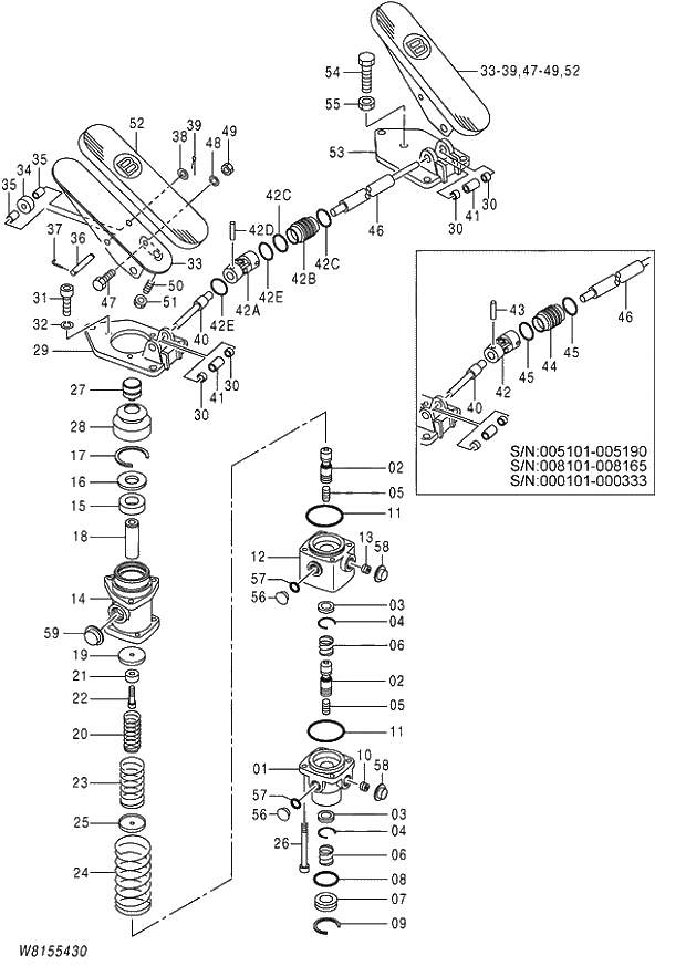
Запчасти Hitachi ZW180 257 VALVE BRAKE (000101-000423, 005101-005288, 008101-008250). 03 VALVE

Схема запчастей Hitachi ZW180 - 257 VALVE BRAKE (000101-000423, 005101-005288, 008101-008250). 03 VALVE
FIT
1:1
100%

Артикул

Название

Примечание

Количество

263G5-42013

VALVE BRAKE

I 005101-005252

1шт.

@111

008101-008237

@222

000101-000423

263G5-42014

VALVE BRAKE

T 005253-005288

1шт.

@333

008238-008250

1

+++++++++++

* BODY

1шт.

2

+++++++++++

* SPOOL

2шт.

3

+++++++++++

* SEAT;SPRING

2шт.

4

+++++++++++

* RING;SNAP

2шт.

5

+++++++++++

* PLUNGER

2шт.

6

+++++++++++

* SPRING

2шт.

7

+++++++++++

* PLUG

1шт.

8

+++++++++++

* O-RING

1шт.

9

+++++++++++

* C-RING

1шт.

10

+++++++++++

* ORIFICE

1шт.

11

+++++++++++

* O-RING

2шт.

12

+++++++++++

* BODY

1шт.

13

+++++++++++

* ORIFICE

1шт.

14

+++++++++++

* COVER

1шт.

15

26815-47241

* OIL SEAL

1шт.

16

263G5-47671

* STOPPER

1шт.

17

26815-47261

* C-RING

1шт.

18

+++++++++++

* SPOOL;INPUT

1шт.

19

+++++++++++

* SEAT;SPRING

1шт.

20

+++++++++++

* SPRING

1шт.

21

+++++++++++

* RETAINER

1шт.

22

+++++++++++

* BOLT

1шт.

23

+++++++++++

* SPRING

1шт.

24

+++++++++++

* SPRING

1шт.

25

+++++++++++

* SEAT;SPRING

1шт.

26

+++++++++++

* BOLT

4шт.

27

+++++++++++

* SEAT

1шт.

28

26755-47171

* COVER;DUST

1шт.

29

263G5-47761

* PLATE;MOUNTING

1шт.

30

26665-47781

* BUSHING

4шт.

31

263G5-47771

* BOLT

3шт.

32

02011-00008

* WASHER;SPRING

3шт.

33

26755-47181

* PEADL

2шт.

34

26755-47191

* ROLLER

2шт.

35

26755-47201

* COLLAR

4шт.

36

263G5-47781

* PIN

2шт.

37

26905-47041

* L PIN

2шт.

38

02000-00010

* WASHER

2шт.

39

26665-47821

* PIN

2шт.

40

263G5-47791

* SHAFT

I 005101-005190

1шт.

@444

008101-008165

@555

000101-000333

40

263G5-47921

* SHAFT

005191-005288

1шт.

@666

008166-008250

@777

000334-000423

41

26905-47061

* COLLAR

2шт.

42

263G5-47801

* JOINT

005101-005190

1шт.

@888

008101-008165

@999

000101-000333

42

263G5-47961

* JOINT ASSY

005191-005288

1шт.

@101010

008166-008250

@111111

000334-000423

42A

+++++++++++

** JOINT

005191-005288

1шт.

@121212

008166-008250

@131313

000334-000423

42B

+++++++++++

** BOOT

005191-005288

1шт.

@141414

008166-008250

@151515

000334-000423

42C

+++++++++++

** RING;SNAP

005191-005288

2шт.

@161616

008166-008250

@171717

000334-000423

42D

+++++++++++

** PIN

005191-005288

2шт.

@181818

008166-008250

@191919

000334-000423

42E

+++++++++++

** RING;SNAP

005191-005288

2шт.

@202020

008166-008250

@212121

000334-000423

43

263G5-47811

* PIN

005101-005190

2шт.

@222222

008101-008165

@232323

000101-000333

44

263G5-47821

* BOOT

005101-005190

1шт.

@242424

008101-008165

@252525

000101-000333

45

263G5-47831

* RING;SNAP

005101-005190

2шт.

@262626

008101-008165

@272727

000101-000333

46

263G5-47841

* SHAFT

I 005101-005190

1шт.

@282828

008101-008165

@292929

000101-000333

46

263G5-47941

* SHAFT

005191-005288

1шт.

@303030

008166-008250

@313131

000334-000423

47

26755-47371

* BOLT

2шт.

48

26755-47381

* WASHER

2шт.

49

26755-47391

* NUT

2шт.

50

02200-02020

* SCREW

1шт.

51

01402-00008

* NUT

1шт.

52

26755-47501

* COVER

2шт.

53

263G5-47851

* PLATE;MOUNTING

1шт.

54

263G5-47861

* BOLT

I 005101-005190

1шт.

@323232

008101-008165

@333333

000101-000333

54

263G5-47951

* BOLT

005191-005288

1шт.

@343434

008166-008250

@353535

000334-000423

55

26755-47421

* NUT

1шт.

56

263G5-47871

* PLUG

2шт.

57

263G5-47881

* O-RING

2шт.

58

+++++++++++

* PROTECTOR

4шт.

59

+++++++++++

* PROTECTOR

1шт.

Выбрано товаров: 105