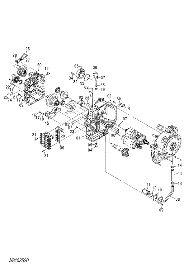
Запчасти Hitachi ZW180 275 TRANSMISSION (1-7) (000101-004999, 005101-). 05 POWER TRAIN

Схема запчастей Hitachi ZW180 - 275 TRANSMISSION (1-7) (000101-004999, 005101-). 05 POWER TRAIN
FIT
1:1
100%

Артикул

Название

Примечание

Количество

163F2-50001

T/C T/M ASSY

1шт.

1

163F2-52101

* T/M CASE

1шт.

2

14813-82341

* PLUG

10шт.

3

14813-82351

* PLUG

1шт.

4

16682-52141

* PLUG

1шт.

5

03320-00290

* O-RING

1шт.

6

03300-00160

* O-RING

4шт.

7

03300-00260

* O-RING

1шт.

8

163F2-52821

* TUBE SUCTION

1шт.

9

01183-12035

* BOLT AND WASHER

19шт.

10

16422-53131

* GASKET

1шт.

11

16422-52641

* STRAINER

1шт.

12

03310-00750

* O-RING

1шт.

13

04710-14025

* HOSE

1шт.

14

24067-62311

* CLIP

2шт.

15

163F2-52131

* BAFFLE OIL

1шт.

16

01116-12020

* BOLT

2шт.

17

02010-00012

* WASHER

16шт.

18

02000-00012

* WASHER

2шт.

19

163J2-55131

* SENSOR

2шт.

20

163F2-52121

* REAR CASE

1шт.

21

01116-12060

* BOLT

7шт.

22

01116-12075

* BOLT

7шт.

23

02212-10032

* PIN

2шт.

24

09300-00902

* PLATE NAME

1шт.

25

14092-52141

* SCREW

2шт.

26

163F2-52561

* TUBE(P/B)

1шт.

27

163E3-42421

* CONNECTOR

1шт.

28

16672-52911

* ELBOW

1шт.

29

163J2-55121

* GASKET

1шт.

30

163J2-54521

* GASKET

1шт.

31

01172-08065

* BOLT

27шт.

32

163G2-52061

* SPACER PUMP

1шт.

33

03350-01250

* O-RING

1шт.

34

01173-12060

* BOLT

6шт.

35

16662-52671

* ORIFICE

1шт.

36

163F2-52911

* TUBE(SLEEVE)

1шт.

37

163E3-42411

* CONNECTOR

1шт.

38

18563-42562

* CONNECTOR

1шт.

39

24047-92401

* BUSHING

1шт.

50

163F2-53291

* SENSOR

1шт.

Выбрано товаров: 41