Запчасти Hitachi ZW180 291 TRANSMISSION (7-7) (000101-004999, 005101-). 05 POWER TRAIN

Схема запчастей Hitachi ZW180 - 291 TRANSMISSION (7-7) (000101-004999, 005101-). 05 POWER TRAIN
FIT
1:1
100%

Артикул

Название

Примечание

Количество

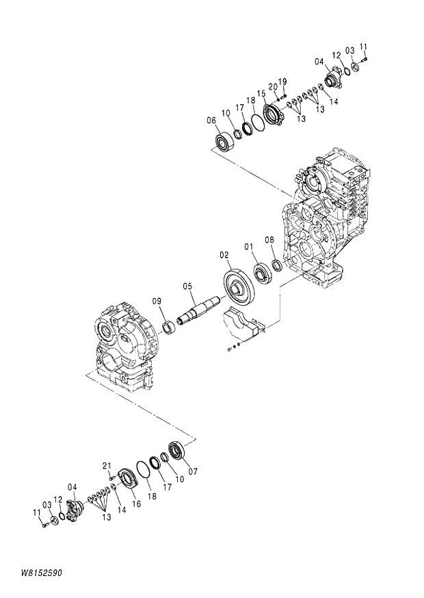
163F2-50001

T/C T/M ASSY

1шт.

1

163F2-52231

* GEAR

1шт.

2

163F2-52751

* GEAR

1шт.

3

163E3-42851

* PLATE RETAINER

2шт.

4

160F2-52001

* FLANGE

2шт.

5

163F2-52241

* SHAFT OUTPUT

1шт.

6

163F2-52521

* BEARING

1шт.

7

18589-62651

* BEARING

1шт.

8

163F2-52791

* SPACER

1шт.

9

163F2-52781

* SPACER

1шт.

10

16422-52861

* SPACER

2шт.

11

163J2-55321

* BOLT

6шт.

12

03330-00310

* O-RING

2шт.

13

18563-43041

* SHIM 0.2mm

11шт.

14

18563-42551

* SHIM 0.1mm

2шт.

15

163F2-52301

* RETAINER SEAL(A)

1шт.

16

163F2-52311

* RETAINER SEAL(B)

1шт.

17

16603-53301

* OIL SEAL

2шт.

18

03310-01250

* O-RING

2шт.

19

01116-12040

* BOLT

4шт.

20

02010-00012

* WASHER

4шт.

21

01183-12035

* BOLT AND WASHER

2шт.

Выбрано товаров: 22