Запчасти Hitachi ZW180 304 AXLE ASSY (F) (TPD) (3-5) (000101-004999, 005101-). 05 POWER TRAIN

Схема запчастей Hitachi ZW180 - 304 AXLE ASSY (F) (TPD) (3-5) (000101-004999, 005101-). 05 POWER TRAIN
FIT
1:1
100%

Артикул

Название

Примечание

Количество

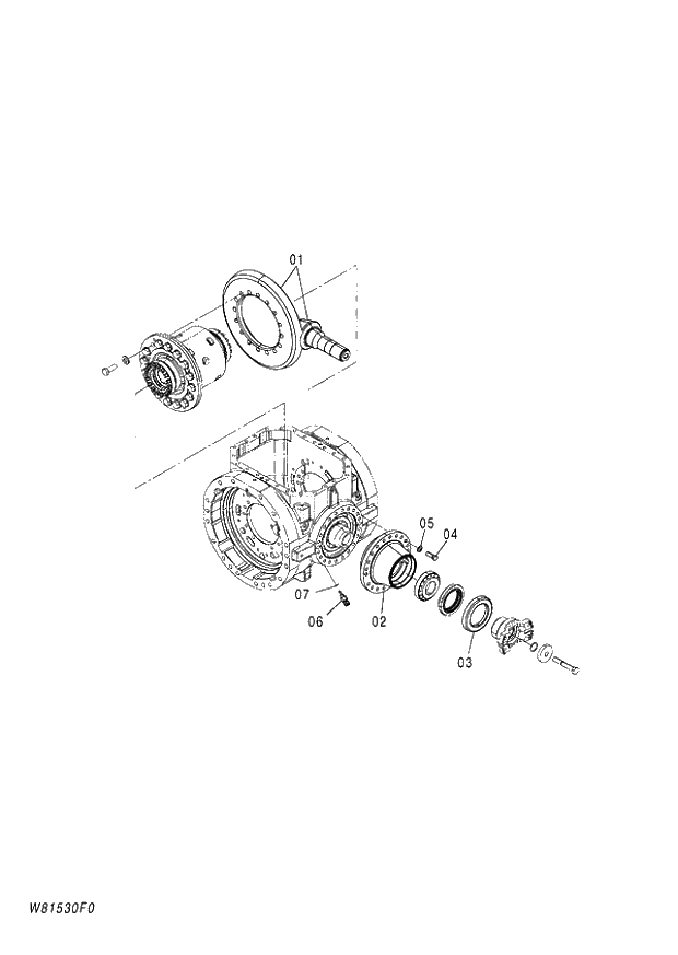
163F3-00001

AXLE ASSY (F)(TPD)

1шт.

1

163E3-57001

* SET RING AND PINION

1шт.

01A

+++++++++++

** GEAR RING

1шт.

01B

+++++++++++

** GEAR PINION

1шт.

2

163E3-52031

* CAGE BEARING

1шт.

3

16423-52171

* COVER DUST

1шт.

4

01106-12035

* BOLT

18шт.

5

16113-02581

* WASHER

18шт.

6

263J2-42501

* SENDER TEMP

1шт.

7

26602-40622

* PACKING

1шт.

Выбрано товаров: 0