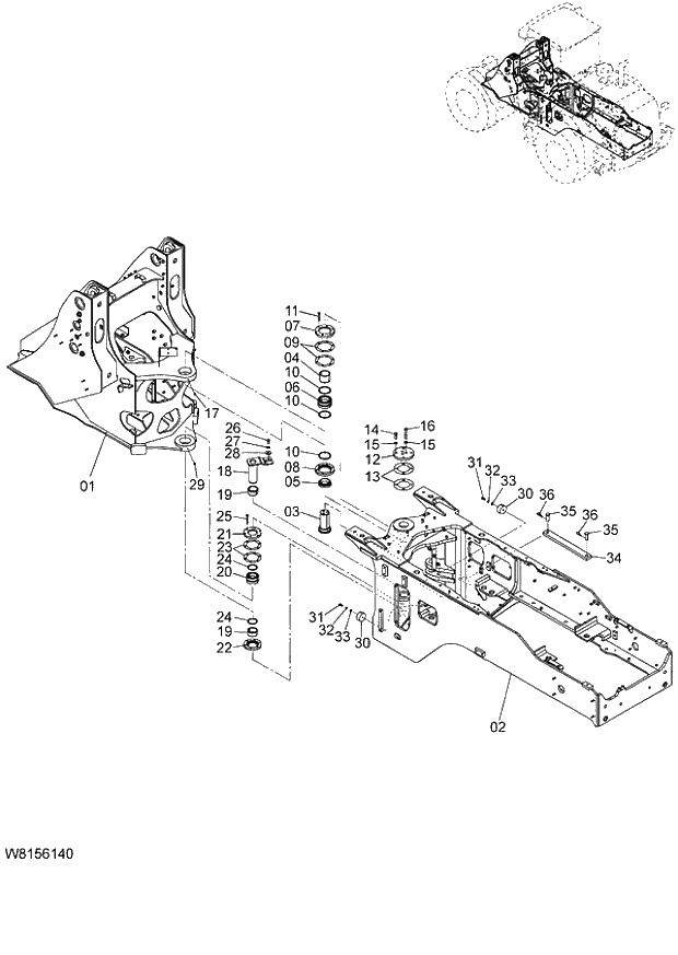
Запчасти Hitachi ZW180 029 FLAME (HLF,HPF) (000101-004999, 008101-). 03 CHASSIS

Схема запчастей Hitachi ZW180 - 029 FLAME (HLF,HPF) (000101-004999, 008101-). 03 CHASSIS
FIT
1:1
100%

Артикул

Название

Примечание

Количество

1

563F0-50102

FRAME FRONT

1шт.

2

263F6-11023

FRAME REAR

1шт.

3

26756-12471

PIN

1шт.

4

263E6-13071

BUSHING

1шт.

5

263E6-13081

BUSHING

1шт.

6

263E6-13151

BEARING

1шт.

7

263E6-13041

CAP

1шт.

8

263E6-13051

CAP

1шт.

9

263E6-13061

SHIM 0.4mm

2шт.

10

26448-72101

SEAL

2шт.

11

01116-12080

BOLT

6шт.

12

263G6-12901

FLANGE

1шт.

13

263G6-12921

SHIM 0.4mm

2шт.

14

01116-16050

BOLT

4шт.

15

02011-00016

WASHER

7шт.

16

01116-16100

BOLT

3шт.

17

04901-00160

GREASE FITTING

1шт.

18

263E6-13131

PIN

1шт.

19

263E6-13121

BUSHING

2шт.

20

263E6-13161

BEARING

1шт.

21

263E6-13091

CAP

1шт.

22

263E6-13101

CAP

1шт.

23

263E6-13111

SHIM 0.4mm

2шт.

24

26388-72311

SEAL DUST

2шт.

25

01116-12090

BOLT

6шт.

26

01110-16030

BOLT

1шт.

27

02010-00016

WASHER

1шт.

28

26608-72321

WASHER

1шт.

29

04901-00160

GREASE FITTING

1шт.

30

26706-13121

RUBBER CUSHION

2шт.

31

01110-12025

BOLT

2шт.

32

02010-00012

WASHER

2шт.

33

02000-00012

WASHER

2шт.

34

263G6-11071

SAFETY LINK

1шт.

35

26806-12851

PIN

2шт.

36

26606-13251

PIN BETA

2шт.

Выбрано товаров: 36