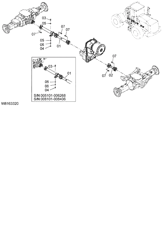
Запчасти Hitachi ZW220 032_PROPELLER SHAFT 6CG,HCG,HEG (005101-009999). 02 POWER TRAIN

Схема запчастей Hitachi ZW220 - 032_PROPELLER SHAFT 6CG,HCG,HEG (005101-009999). 02 POWER TRAIN
FIT
1:1
100%

Артикул

Название

Примечание

Количество

1

263G3-30051

SHAFT;PROPELLER;

005101-005101

1шт.

@111

FRONT

1

263G3-30071

SHAFT;PROPELLER;

005102-009999

1шт.

@222

FRONT

2

263G3-30061

SHAFT;PROPELLER;REAR

1шт.

3

01116-20080

BOLT

2шт.

4

01401-50020

NUT

2шт.

5

26323-02001

WASHER

005101-006268

2шт.

@333

008101-008406

5

26323-02001

WASHER

006269-007999

4шт.

@444

008407-009999

6

02011-00020

WASHER

2шт.

7

01107-12055

BOLT

006269-007999

20шт.

@555

008407-009999

Выбрано товаров: 0