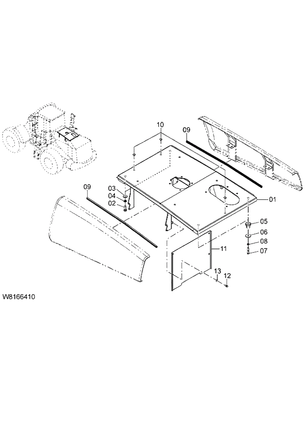
Запчасти Hitachi ZW220 041_COVER(1) (000101-004999, 005101-). 03 CHASSIS

Схема запчастей Hitachi ZW220 - 041_COVER(1) (000101-004999, 005101-). 03 CHASSIS
FIT
1:1
100%

Артикул

Название

Примечание

Количество

1

263G6-40292

HOOD ASSY

1шт.

2

01116-16045

BOLT

2шт.

3

26096-32021

WASHER

2шт.

4

02011-00016

WASHER;SPRING

2шт.

5

26602-12011

RUBBER;MOUNTING

2шт.

6

26602-12021

WASHER

2шт.

7

01110-12060

BOLT

2шт.

8

02010-00012

WASHER

2шт.

9

26446-42111

STRIP;WEATHER

2шт.

10

263G6-44621

CLIP;BRUSH

3шт.

11

263G6-44681

PLATE

1шт.

12

01183-10025

BOLT;SEMS

4шт.

13

02000-00010

WASHER

4шт.

Выбрано товаров: 13