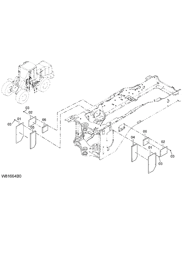
Запчасти Hitachi ZW220 055_FLOOR BOARD(4) (000101-004999, 005101-). 03 CHASSIS

Схема запчастей Hitachi ZW220 - 055_FLOOR BOARD(4) (000101-004999, 005101-). 03 CHASSIS
FIT
1:1
100%

Артикул

Название

Примечание

Количество

1

263G6-52501

PLATE

2шт.

2

263G6-52511

PLATE

2шт.

3

01183-10020

BOLT;SEMS

18шт.

4

263G6-54021

MAT;SOUND PROOF;LH

1шт.

5

263G6-54031

MAT;SOUND PROOF;RH

1шт.

6

263G6-54041

MAT;SOUND PROOF

2шт.

Выбрано товаров: 6