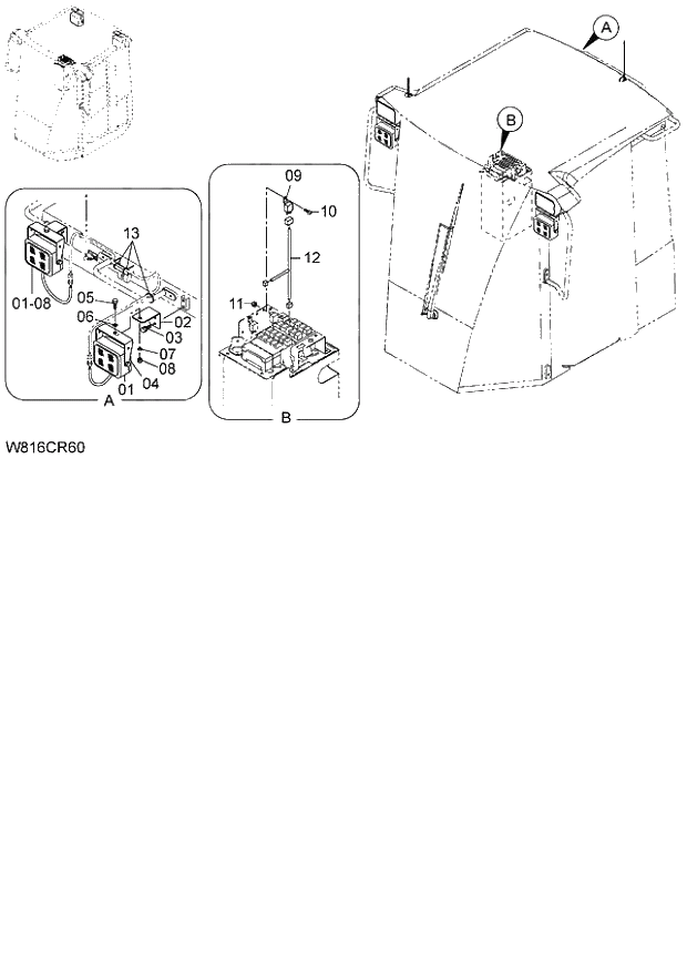
Запчасти Hitachi ZW220 145_WORKING LIGHT(REAR)(CRL) (000101-004999, 005101-). 05 ELECTRICAL SYSTEM

Схема запчастей Hitachi ZW220 - 145_WORKING LIGHT(REAR)(CRL) (000101-004999, 005101-). 05 ELECTRICAL SYSTEM
FIT
1:1
100%

Артикул

Название

Примечание

Количество

1

HL4274478

LAMP;HEAD

2шт.

2

563G2-42711

BRACKET

2шт.

3

01183-10025

BOLT

4шт.

4

563G2-42701

BRACKET

2шт.

5

01110-12025

BOLT

2шт.

6

02000-00012

WASHER

2шт.

7

02010-00012

WASHER

2шт.

8

01401-00012

NUT

2шт.

9

HL4414207

RELAY

1шт.

10

01033-06016

SCREW

1шт.

11

01400-00006

NUT

1шт.

12

263G2-44511

WIRE HARNESS

1шт.

13

04913-11200

INSULOCK

5шт.

Выбрано товаров: 13