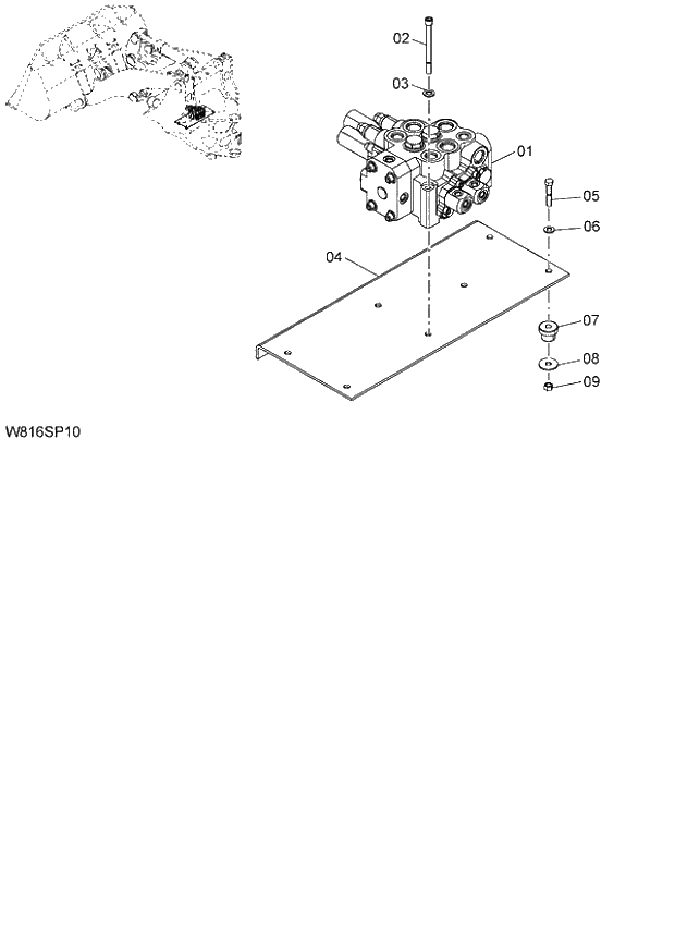
Запчасти Hitachi ZW220 156_MAIN CONTROL VALVE(2-SPOOL)(2SP) (000101-004999, 005101-). 06 HYDRAULIC SYSTEM

Схема запчастей Hitachi ZW220 - 156_MAIN CONTROL VALVE(2-SPOOL)(2SP) (000101-004999, 005101-). 06 HYDRAULIC SYSTEM
FIT
1:1
100%

Артикул

Название

Примечание

Количество

1

263G7-32071

VALVE;MAIN(2PL)

1шт.

2

01171-12140

BOLT

Y 005101-005177

3шт.

@111

000101-000211

2

01173-12140

BOLT

005178-

3шт.

@222

000212-004999

3

26063-02111

WASHER

3шт.

4

263G7-30061

BRACKET ASSY

1шт.

5

01110-12060

BOLT

4шт.

6

02000-00012

WASHER

4шт.

7

26606-42251

RUBBER;MOUNT

4шт.

8

26312-12021

WASHER

4шт.

9

01401-00012

NUT

4шт.

Выбрано товаров: 12