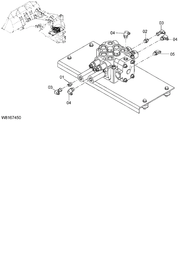
Запчасти Hitachi ZW220 175_PILOT PIPING(5) (000101-004999, 005101-). 06 HYDRAULIC SYSTEM

Схема запчастей Hitachi ZW220 - 175_PILOT PIPING(5) (000101-004999, 005101-). 06 HYDRAULIC SYSTEM
FIT
1:1
100%

Артикул

Название

Примечание

Количество

1

263G7-43611

VALVE;RESTRICTION

1шт.

2

263G7-42551

VALVE;RESTRICTION

1шт.

3

HL4239976

UNION;S

2шт.

4

HLA852333

ELBOW;S

3шт.

04A

03320-00140

* O-RING

1шт.

5

HLA852233

ELBOW;S

1шт.

05A

03320-00140

* O-RING

1шт.

Выбрано товаров: 0