Запчасти Hitachi ZW220 196_STEERING PARTS(STEERING CYLINDER) (000101-004999, 005101-). 06 HYDRAULIC SYSTEM

Схема запчастей Hitachi ZW220 - 196_STEERING PARTS(STEERING CYLINDER) (000101-004999, 005101-). 06 HYDRAULIC SYSTEM
FIT
1:1
100%

Артикул

Название

Примечание

Количество

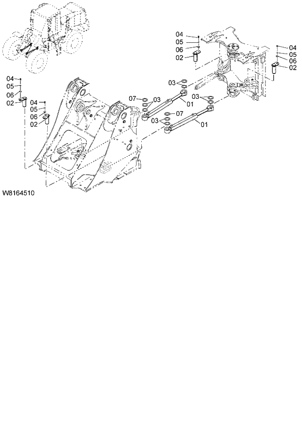
1

263G4-52061

CYLINDER;STEERING

2шт.

2

263G4-50012

PIN ASSY

4шт.

3

26268-72291

SHIM

005101-005138

8шт.

@111

000101-000167

3

26268-72291

SHIM

005139-

12шт.

@222

000168-004999

4

01116-12025

BOLT

4шт.

5

02011-00012

WASHER

4шт.

6

26096-42351

WASHER

4шт.

7

263G4-52681

SHIM

005221-

4шт.

@333

000219-004999

Выбрано товаров: 11