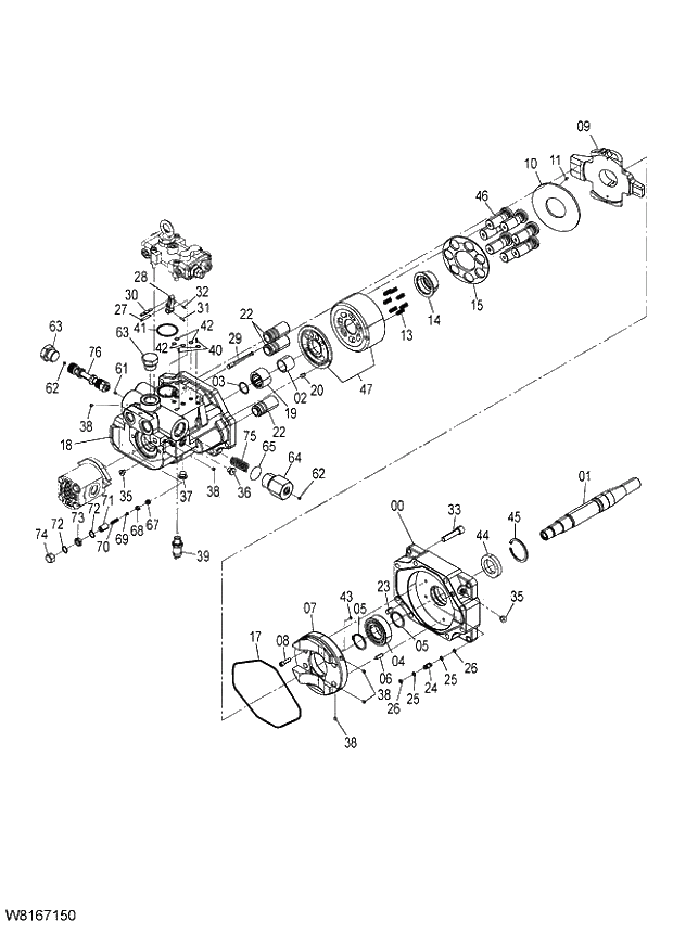
Запчасти Hitachi ZW220 254_PUMP (000101-004999, 005101-). 01 PUMP

Схема запчастей Hitachi ZW220 - 254_PUMP (000101-004999, 005101-). 01 PUMP
FIT
1:1
100%

Артикул

Название

Примечание

Количество

+++++++++++

PUMP

1шт.

0

+++++++++++

* CASING;FRONT

1шт.

1

263G7-17121

* SHAFT;DRIVE

1шт.

2

263G7-17131

* RACE;INNER

1шт.

3

263G7-17141

* RING;RETAINING

1шт.

4

263G7-17151

* BRG.;ROL.

1шт.

5

02100-00045

* RING;RETAINING

2шт.

6

263G7-17161

* PIN;KNOCK

1шт.

7

263G7-17171

* PLATE;CRADLE

1шт.

8

HLM340830

* BOLT;SOCKET

4шт.

9

263G7-17181

* PLATE;SWASH

1шт.

10

263G7-17951

* PLATE

1шт.

11

263G7-17201

* PIN

1шт.

13

263G7-17211

* SPRING;COMPRES.

7шт.

14

263G7-17221

* BUSHING

1шт.

15

263G7-17231

* RETAINER

1шт.

17

263G7-17251

* O-RING

1шт.

18

+++++++++++

* CASING;PUMP

1шт.

19

263G7-17261

* BRG.;NEEDLE

1шт.

20

263G7-17271

* PIN;KNOCK

1шт.

22

263G7-17281

* PISTON;SERVO

3шт.

23

263G7-17291

* PIN;KNOCK

1шт.

24

263G7-17301

* PIN

1шт.

25

263G7-17921

* RING;BACK-UP

2шт.

26

263G7-17311

* O-RING

2шт.

27

263G7-17321

* PIN

1шт.

28

263G7-17331

* LINK

1шт.

29

263G7-17341

* PIN

1шт.

30

263G7-17881

* PIN

1шт.

31

02270-04016

* PIN;SPRING

1шт.

32

263G7-17931

* PIN;SPRING

1шт.

33

HLM341460

* BOLT;SOCKET

8шт.

35

263G7-17351

* PLUG

2шт.

35A

03320-00080

** O-RING

1шт.

36

263G7-17361

* PLUG

1шт.

36A

03320-00110

** O-RING

1шт.

37

263G7-17371

* PLUG

1шт.

37A

03320-00140

** O-RING

1шт.

38

263G7-17381

* PLUG

5шт.

39

HL4668254

* SENSOR;PRES.

1шт.

39A

HL4365826

** O-RING

1шт.

40

02270-04010

* PIN;SPRING

2шт.

41

263G7-17391

* O-RING

1шт.

42

263G7-17311

* O-RING

5шт.

43

263G7-17401

* O-RING

1шт.

44

263G7-17411

* SEAL;OIL

1шт.

45

02110-00068

* RING;RETAINING

1шт.

46

263G7-17571

* PISTON

7шт.

47

263G7-17541

* ROTOR

I 005101-006274

1шт.

@111

008101-008406

@222

010101-010126

@333

000101-000637

47

263G7-17951

* ROTOR

006275-007999

1шт.

@444

008407-009999

@555

010127-

@666

000638-004999

61

263G7-17421

* ORIFICE

1шт.

62

263G7-17431

* ORIFICE

2шт.

63

HLA885008

* PLUG

2шт.

63A

03320-00290

** O-RING

1шт.

64

263G7-17441

* PLUG

1шт.

65

03320-00380

* O-RING

1шт.

67

263G7-17451

* PLUG

1шт.

68

263G7-17461

* SEAT

1шт.

69

263G7-17471

* VALVE

1шт.

70

263G7-17481

* SPRING

1шт.

71

263G7-17491

* SCREW

1шт.

72

263G7-17501

* GASKET

2шт.

73

263G7-17511

* NUT

1шт.

74

263G7-17521

* NUT;CAP

1шт.

75

263G7-17531

* SPRING;COMPRES.

1шт.

76

+++++++++++

* SPOOL

1шт.

Выбрано товаров: 72