Запчасти Hitachi ZW220 302_TRANSMISSION (18_22) 6CG,HCG,HEG (005101-009999). 05 POWER TRAIN

Схема запчастей Hitachi ZW220 - 302_TRANSMISSION (18_22) 6CG,HCG,HEG (005101-009999). 05 POWER TRAIN
FIT
1:1
100%

Артикул

Название

Примечание

Количество

163G2-50001

TRANSMISSION

005101-005235

1шт.

163G2-50002

TRANSMISSION

005236-009999

1шт.

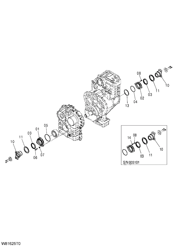
1

163J2-54741

* RETAINER,SEAL(R)

1шт.

2

163J2-54731

* RETAINER,SEAL(F)

1шт.

3

16772-52371

* SEAL

2шт.

4

03310-01150

* O-RING

1шт.

5

03310-01350

* O-RING

1шт.

6

01116-16050

* BOLT

3шт.

7

02010-00016

* SPRING WASHER

3шт.

8

01116-12030

* BOLT

Y 005101-005101

2шт.

8

01183-12035

* BOLT AND WASHER

005102-009999

2шт.

10

163G2-52041

* FLANGE(7C)

2шт.

11

163J2-54751

* COVER,DUST

2шт.

13

02110-00120

* SNAPRING

1шт.

14

02010-00012

* SPRING WASHER

005101-005101

2шт.

Выбрано товаров: 15