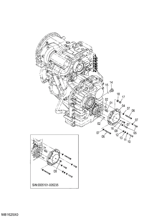
Запчасти Hitachi ZW220 306_TRANSMISSION (22_22) 6CG,HCG,HEG (005101-009999). 05 POWER TRAIN

Схема запчастей Hitachi ZW220 - 306_TRANSMISSION (22_22) 6CG,HCG,HEG (005101-009999). 05 POWER TRAIN
FIT
1:1
100%

Артикул

Название

Примечание

Количество

163G2-50001

TRANSMISSION

005101-005235

1шт.

163G2-50002

TRANSMISSION

005236-009999

1шт.

1

16772-52411

* SPRING

22шт.

2

02212-10025

* PIN

2шт.

4

16772-52401

* CAP

I 005101-006124

1шт.

@111

008101-008158

4

16772-52402

* CAP

006125-007999

1шт.

@222

008159-009999

5

01116-12050

* BOLT

2шт.

6

01171-12100

* BOLT

Y 005101-005194

6шт.

6

01173-12100

* BOLT

005195-009999

6шт.

7

02010-00012

* WASHER SP

8шт.

8

04000-00300

* PLUG

005101-005235

1шт.

8

163J2-55441

* BUSHING

005236-009999

1шт.

10

01110-12060

* BOLT

1шт.

11

01401-10012

* NUT

1шт.

12

02000-00012

* WASHER

1шт.

13

02010-00012

* WASHER SP

1шт.

14

16312-52352

* PLUG

1шт.

15

03300-00110

* O-RING

1шт.

16

16062-52801

* ORIFICE

005236-009999

1шт.

17

299F9-92101

* PLUG

006125-007999

1шт.

@333

008159-009999

18

02010-00016

* WASHER

006125-007999

1шт.

@444

008159-009999

Выбрано товаров: 25