Качественные детали и логистика
Оригинальные и аналоговые запчасти с доставкой по России, Казахстану и Беларуси
©2022 PartSell ООО "Система" ИНН 2463123282 ОГРН 1212400004838
Центральный офис: г. Красноярск, Академика Киренского, д.87, пом.4
Телефон: 8 (800) 777-65-74 Email: zakaz@partsell.ru
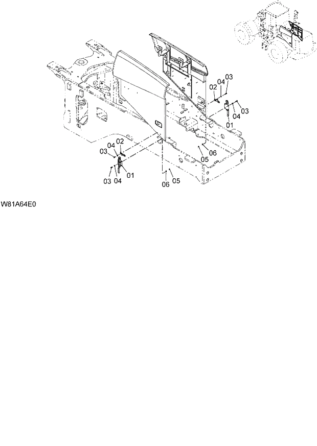
067_SIDE PANEL(WITH OUTER LOCK)(SLK) (000410-004999, 006140-007999, 008241-009999, 010108-).
№
Артикул
Название
Примечание
Количество
1
56190-78453
HOOK
2шт.
2
56190-78462
CATCH
3
01183-08025
BOLT
12шт.
4
02000-00008
WASHER
5
01400-00008
NUT
8шт.
6
21471-22311
Выбрано товаров: 0