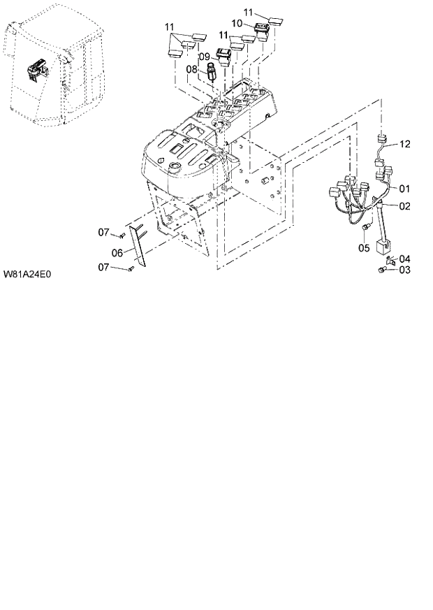
Запчасти Hitachi ZW250 140_ELECTRICAL PARTS(RIGHT CONSOLE) 6CH,HCH,HEH (005101-009999). 05 ELECTRICAL SYSTEM

Схема запчастей Hitachi ZW250 - 140_ELECTRICAL PARTS(RIGHT CONSOLE) 6CH,HCH,HEH (005101-009999). 05 ELECTRICAL SYSTEM
FIT
1:1
100%

Артикул

Название

Примечание

Количество

1

263G2-42061

HARNESS;SIDE CONSOLE

005101-005102

1шт.

1

263G2-42062

HARNESS;SIDE CONSOLE

005103-009999

1шт.

2

263G2-43261

CLAMP

1шт.

3

01183-10020

BOLT;SEMS

1шт.

4

HL4418301

BRACKET

1шт.

5

01183-10020

BOLT;SEMS

1шт.

6

263G2-40611

BRACKET

1шт.

7

01033-06020

SCREW;SEMS

2шт.

8

HL4357862

LIGHTER

1шт.

9

263G2-43591

SWITCH

005101-005102

1шт.

9

263G2-43592

SWITCH

005103-009999

1шт.

10

263G2-43621

SWITCH

005101-005102

1шт.

10

263G2-43622

SWITCH

T 005103-006128

1шт.

@111

008101-008197

10

263G2-43623

SWITCH

006129-007999

1шт.

@222

008198-009999

11

HL4620283

CAP

6шт.

12

263G2-44851

WIRE HARNESS

006129-007999

1шт.

@333

008198-009999

Выбрано товаров: 19