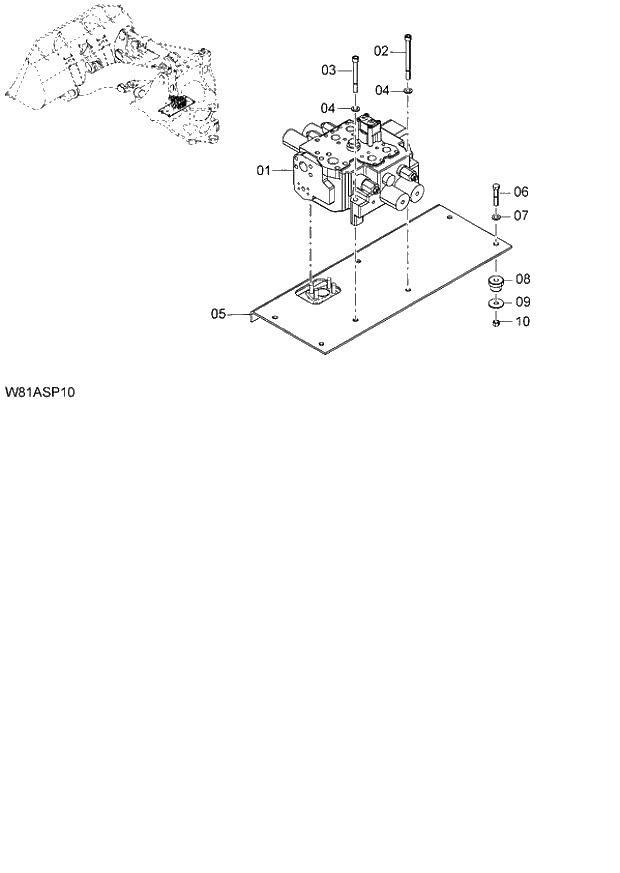
Запчасти Hitachi ZW250 154_AIN CONTROL VALVE(2-SPOOL)(2SP) (000101-004999, 005101-). 06 HYDRAULIC SYSTEM

Схема запчастей Hitachi ZW250 - 154_AIN CONTROL VALVE(2-SPOOL)(2SP) (000101-004999, 005101-). 06 HYDRAULIC SYSTEM
FIT
1:1
100%

Артикул

Название

Примечание

Количество

1

263H7-32021

VALVE;MAIN(2PL)

1шт.

2

01171-12140

BOLT

Y 005101-005148

2шт.

@111

000101-000179

2

01173-12140

BOLT

005149-

2шт.

@222

000180-004999

3

01171-12110

BOLT

Y 005101-005148

1шт.

@333

000101-000179

3

01173-12110

BOLT

005149-

1шт.

@444

000180-004999

4

26063-02111

WASHER

3шт.

5

263H7-30031

BRACKET ASSY

1шт.

6

01110-12060

BOLT

4шт.

7

02000-00012

WASHER

4шт.

8

26606-42251

RUBBER;MOUNT

4шт.

9

26312-12021

WASHER

4шт.

10

01401-00012

NUT

4шт.

Выбрано товаров: 16