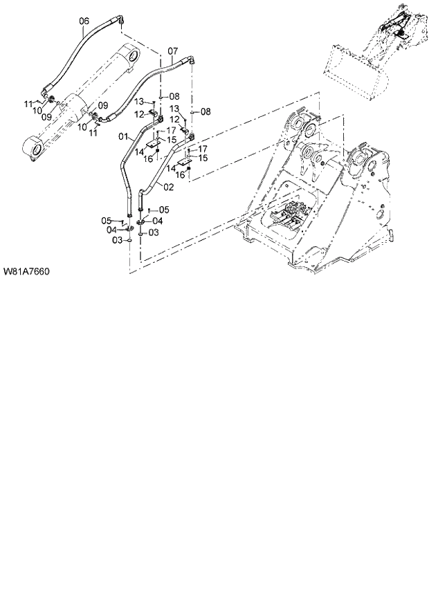
Запчасти Hitachi ZW250 162_MAIN PIPING(6) (000101-004999, 005101-). 06 HYDRAULIC SYSTEM

Схема запчастей Hitachi ZW250 - 162_MAIN PIPING(6) (000101-004999, 005101-). 06 HYDRAULIC SYSTEM
FIT
1:1
100%

Артикул

Название

Примечание

Количество

1

263H7-60291

TUBE ASSY

1шт.

2

263H7-60302

TUBE ASSY

1шт.

3

26607-62631

O RING

2шт.

4

26607-62571

FRANGE;SPRIT

4шт.

5

01116-10030

BOLT

8шт.

6

263H7-62561

HOSE ASSY

1шт.

7

263H7-62651

HOSE ASSY

1шт.

8

HL4187328

O-RING

2шт.

9

26607-62631

O RING

2шт.

10

26607-62571

FRANGE;SPRIT

4шт.

11

01116-10030

BOLT

8шт.

12

HL4190127

CLAMP;PIPE

2шт.

13

01183-12070

BOLT;SEMS

2шт.

14

263G7-60431

BRACKET

2шт.

15

26606-52721

WASHER

4шт.

16

26407-32001

MOUNT;RUBBER

4шт.

17

01183-10040

BOLT;SEMS

4шт.

Выбрано товаров: 17