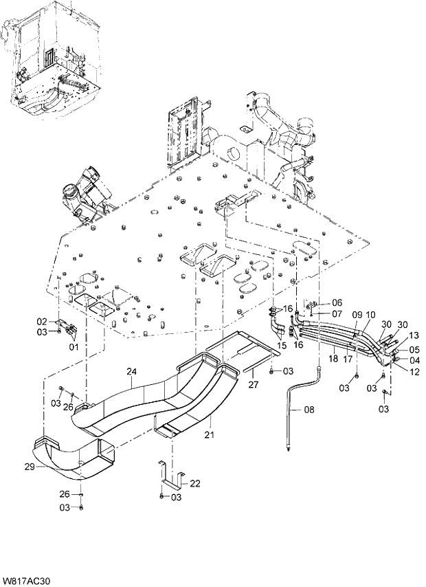
Запчасти Hitachi ZW310 032 AIR CONDITIONER(3)(AC400). 04 CAB

Схема запчастей Hitachi ZW310 - 032 AIR CONDITIONER(3)(AC400). 04 CAB
FIT
1:1
100%

Артикул

Название

Примечание

Количество

1

HL4405815

SENSOR

2шт.

2

263G6-72621

BRACKET

1шт.

3

01183-10020

BOLT;SEMS

10шт.

4

263G6-72191

HOSE;LIQUID

1шт.

5

263G6-72201

HOSE;SUCTION

1шт.

6

263G6-72211

CONNECTOR

1шт.

7

01100-06020

BOLT

1шт.

8

HL4281507

HOSE

1шт.

9

263G2-43271

CLAMP

1шт.

10

263G2-43311

CLAMP

1шт.

12

263G2-43231

CLIP

1шт.

13

263G2-43271

CLAMP

005101-005102

1шт.

@111

000101-000108

13

263G2-43261

CLAMP

005103-

1шт.

@222

000109-004999

15

26756-75771

HOSE

2шт.

16

24067-62261

CLIP

4шт.

17

263G6-70261

TUBE

1шт.

18

263G6-70271

TUBE

1шт.

21

263G6-72651

DUCT

Y 005101-006250

1шт.

@333

008101-008421

@444

000101-000655

21

263G6-72652

DUCT

006251-007999

1шт.

@555

008422-

@666

000656-004999

22

263G6-72951

BRACKET

1шт.

24

263G6-72671

DUCT

Y 005101-006250

1шт.

@777

008101-008421

@888

000101-000655

24

263G6-72672

DUCT

006251-007999

1шт.

@999

008422-

@101010

000656-004999

26

02000-00010

WASHER

2шт.

27

263G6-72961

PLATE

1шт.

29

263G6-72661

DUCT

Y 005101-006250

1шт.

@111111

008101-008421

@121212

000101-000655

29

263G6-72662

DUCT

006251-007999

1шт.

@131313

008422-

@141414

000656-004999

30

263G2-43281

CLIP

005101-005102

1шт.

@151515

000101-000108

30

263G2-43271

CLIP

005103-

2шт.

@161616

000109-004999

Выбрано товаров: 44