Запчасти Hitachi ZW310 013 TRANSMISSION(13-22). 05 POWER TRAIN

Схема запчастей Hitachi ZW310 - 013 TRANSMISSION(13-22). 05 POWER TRAIN
FIT
1:1
100%

Артикул

Название

Примечание

Количество

163J2-50001

TRANSMISSION

005101-005202

1шт.

@111

000101-000238

163J2-50002

TRANSMISSION

005203-

1шт.

@222

000239-004999

1

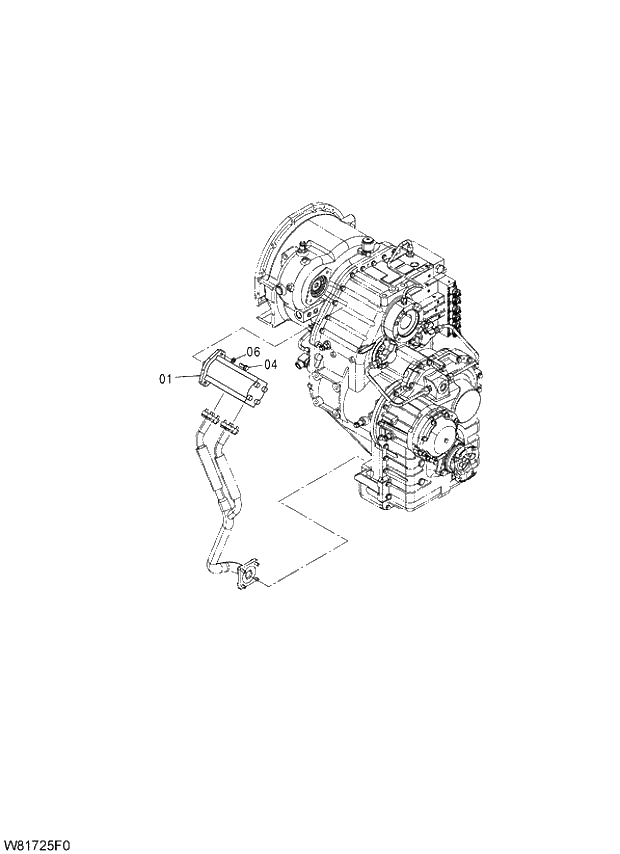
163G2-52031

* PUMP;CHARGING

1шт.

4

01183-12035

* BOLT AND WASHER

2шт.

6

02000-00012

* WASHER

2шт.

Выбрано товаров: 7