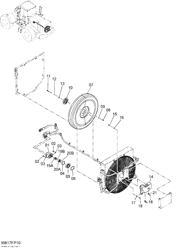
Запчасти Hitachi ZW310 011 COOLING FAN(FPM001). 01 ENGINE

Схема запчастей Hitachi ZW310 - 011 COOLING FAN(FPM001). 01 ENGINE
FIT
1:1
100%

Артикул

Название

Примечание

Количество

1

263J7-12011

PUMP;FAN

1шт.

2

01171-10050

BOLT

Y 005101-005166

2шт.

@111

000101-000193

2

01173-10050

BOLT

005167-006124

2шт.

@222

008101-008116

@333

000194-000309

3

16063-53161

WASHER

2шт.

4

03350-00850

O-RING

1шт.

5

263J7-12001

SPACER

Y 005101-005169

1шт.

@444

000101-000209

5

263J7-12002

SPACER

005170-006124

1шт.

@555

008101-008116

@666

000210-000309

6

16302-52092

GASKET

1шт.

7

HL4640773

FAN

1шт.

8

01116-10030

BOLT

4шт.

9

02011-00010

WASHER

4шт.

10

263G2-13001

COUPLING

1шт.

11

01116-10045

BOLT

1шт.

12

02011-00010

WASHER

1шт.

13

263G2-13481

WASHER

1шт.

14

263G2-12291

MOTOR;FAN

T

1шт.

@777

@888

15

01110-12030

BOLT

4шт.

16

02000-00012

WASHER

4шт.

17

HL4257159

BRACKET

2шт.

18

01183-10016

BOLT;SEMS

2шт.

19

263J7-10051

KIT;TAPPET

005103-006124

1шт.

@999

008101-008116

@101010

000109-000309

19A

263J7-10031

* TAPPET

005103-006124

1шт.

@111111

008101-008116

@121212

000109-000309

19B

263J7-12051

* RING;RETAINING

005103-006124

1шт.

@131313

008101-008116

@141414

000109-000309

20

263J7-10061

KIT;COUPLING

005103-006124

1шт.

@151515

008101-008116

@161616

000109-000309

20A

263J7-12041

* COUPULING

005103-006124

1шт.

@171717

008101-008116

@181818

000109-000309

20B

263J7-12061

* RING;RETAINING

005103-006124

1шт.

@191919

008101-008116

@202020

000109-000309

21

HL4257159

BRACKET

1шт.

Выбрано товаров: 47