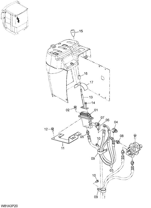
Запчасти Hitachi ZW310A 022 PILOT PIPING(3-SPOOL)(1-1)(3PL). 06 HYDRAULIC SYSTEM

Схема запчастей Hitachi ZW310A - 022 PILOT PIPING(3-SPOOL)(1-1)(3PL). 06 HYDRAULIC SYSTEM
FIT
1:1
100%

Артикул

Название

Примечание

Количество

1

263G7-32031

VALVE;PILOT(3PL)

1шт.

2

01183-10020

BOLT;SEMS

005101-005199

2шт.

@111

000101-000224

2

01183-10025

BOLT;SEMS

005200-

2шт.

@222

000225-004999

3

263G7-42891

HOSE ASSY

2шт.

4

HLA852333

ELBOW;S

1шт.

04A

03320-00140

* O-RING

1шт.

5

HLA852123

ADAPTER;S

2шт.

05A

03320-00110

* O-RING

1шт.

6

HLA852323

ELBOW;S

1шт.

06A

03320-00110

* O-RING

1шт.

7

HL4209931

ADAPTER;S

1шт.

07A

03320-00110

* O-RING

1шт.

8

HL4261938

FILTER

1шт.

08A

03320-00140

* O-RING

1шт.

9

263G2-43351

CLAMP

005101-005199

2шт.

@333

000101-000224

10

01183-10020

BOLT;SEMS

005101-005199

2шт.

@444

000101-000224

11

263G7-40411

BRACKET

1шт.

12

01183-10020

BOLT;SEMS

4шт.

13

263G7-40421

LEVER

I 005101-005202

1шт.

@555

000101-000238

13

263G7-40422

LEVER

005203-

1шт.

@666

000239-004999

14

01183-08016

BOLT;SEMS

005101-005199

2шт.

@777

000101-000224

14

01183-08012

BOLT;SEMS

005200-

2шт.

@888

000225-004999

15

263G7-43181

GRIP

I 005101-005202

1шт.

@999

000101-000238

15

26177-42021

GRIP

005203-

1шт.

@101010

000239-004999

16

263G7-43651

BUSHING;RUBBER

005101-005199

1шт.

@111111

000101-000224

17

263G7-43661

PLATE;RUBBER

005101-005199

1шт.

@121212

000101-000224

Выбрано товаров: 38