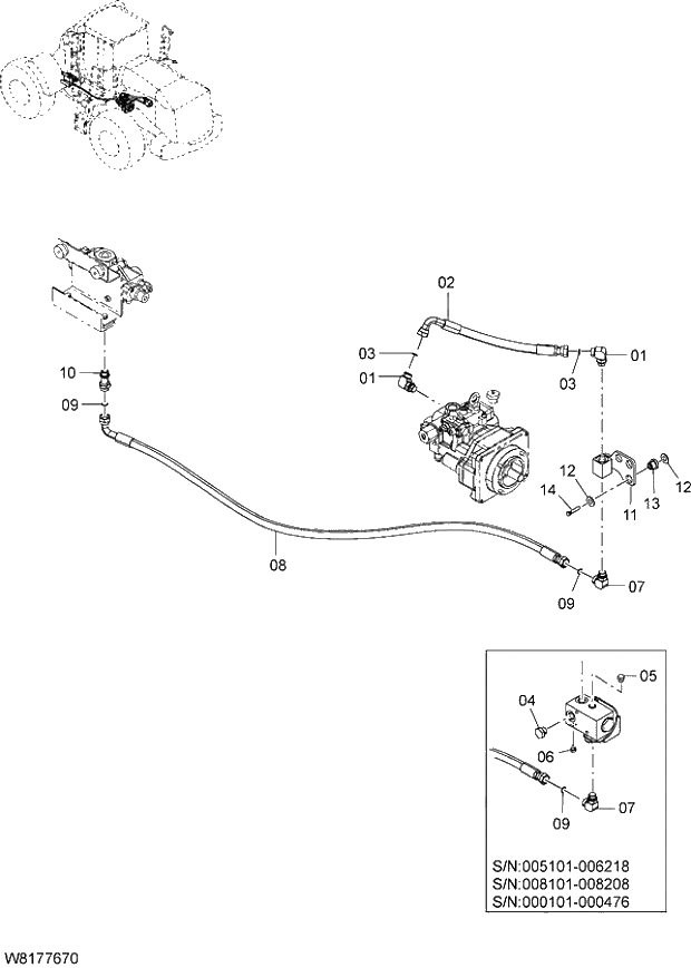
Запчасти Hitachi ZW310A 042 STEERING PIPING(1). 06 HYDRAULIC SYSTEM

Схема запчастей Hitachi ZW310A - 042 STEERING PIPING(1). 06 HYDRAULIC SYSTEM
FIT
1:1
100%

Артикул

Название

Примечание

Количество

1

HLA853366

ELBOW;S

2шт.

01A

03320-00240

* O-RING

1шт.

2

263J4-52031

HOSE ASSY

1шт.

3

HL4187308

O-RING

2шт.

4

HLA885006

PLUG

005101-006218

1шт.

@111

008101-008208

@222

000101-000476

04A

03320-00240

* O-RING

005101-006218

1шт.

@333

008101-008208

@444

000101-000476

5

HLA885003

PLUG

005101-006218

1шт.

@555

008101-008208

@666

000101-000476

05A

03320-00140

* O-RING

005101-006218

1шт.

@777

008101-008208

@888

000101-000476

6

HLA885002

PLUG

005101-006218

1шт.

@999

008101-008208

@101010

000101-000476

06A

03320-00110

* O-RING

005101-006218

1шт.

@111111

008101-008208

@121212

000101-000476

7

HLA853366

ELBOW;S

1шт.

07A

03320-00240

* O-RING

1шт.

8

263G4-52311

HOSE ASSY

005101-006218

1шт.

@131313

008101-008208

@141414

000101-000476

8

263G4-52781

HOSE ASSY

006219-007999

1шт.

@151515

008209-

@161616

000477-004999

9

HL4187308

O-RING

2шт.

10

HL4189539

ADAPTER;S

1шт.

10A

03320-00240

* O-RING

1шт.

11

263G4-50341

BLOCK ASSY

006219-007999

1шт.

@171717

008209-

@181818

000477-004999

12

26312-12021

WASHER

006219-007999

6шт.

@191919

008209-

@202020

000477-004999

13

26606-42251

MOUNT;RUBBER

006219-007999

3шт.

@212121

008209-

@222222

000477-004999

14

01110-12045

BOLT

006219-007999

3шт.

@232323

008209-

@242424

000477-004999

Выбрано товаров: 45