Запчасти Hitachi ZW310A 051 BRAKE SYSTEM(CHARGE VALVE). 06 HYDRAULIC SYSTEM

Схема запчастей Hitachi ZW310A - 051 BRAKE SYSTEM(CHARGE VALVE). 06 HYDRAULIC SYSTEM
FIT
1:1
100%

Артикул

Название

Примечание

Количество

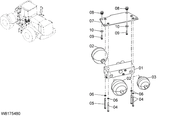
1

263G5-42022

VALVE;CHARGE

005101-005102

1шт.

@111

000101-000108

1

263G5-42023

VALVE;CHARGE

I 005103-006273

1шт.

@222

008101-008442

@333

000109-000660

1

263G5-42741

VALVE;CHARGE

006274-007999

1шт.

@444

008443-

@555

000661-004999

2

263G5-42031

ACCUMULATOR

2шт.

3

263G5-42041

ACCUMULATOR

1шт.

4

01110-10100

BOLT

3шт.

5

01110-10120

BOLT

1шт.

6

02010-00010

WASHER;SPRING

4шт.

7

263G5-40121

BRACKET ASSY

1шт.

8

26407-32001

MOUNT;RUBBER

4шт.

9

01183-10040

BOLT;SEMS

4шт.

10

26606-52721

WASHER

4шт.

Выбрано товаров: 17