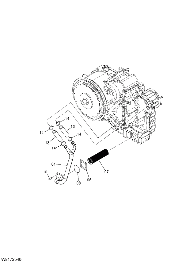
Запчасти Hitachi ZW310A 002 TRANSMISSION(2-22). 05 POWER TRAIN

Схема запчастей Hitachi ZW310A - 002 TRANSMISSION(2-22). 05 POWER TRAIN
FIT
1:1
100%

Артикул

Название

Примечание

Количество

163J2-50001

TRANSMISSION

005101-005202

1шт.

@111

000101-000238

163J2-50002

TRANSMISSION

005203-

1шт.

@222

000239-004999

1

163J2-54931

* TUBE SUCTION

Y 005101-006200

1шт.

@333

008101-008126

@444

000101-000351

1

163J2-55561

* TUBE SUCTION

006201-007999

1шт.

@555

008127-

@666

000352-004999

01A

16772-52931

** PLATE

1шт.

01B

26507-62511

** ELBOW

005101-006200

1шт.

@777

008101-008126

@888

000101-000351

01B

+++++++++++

** TUBE

006201-007999

1шт.

@999

008127-

@101010

000352-004999

01C

18593-42101

** TUBE

1шт.

6

16422-53131

* GASKET

1шт.

7

163J2-54351

* STRAINER

1шт.

8

03310-00750

* O-RING

1шт.

10

01183-12035

* BOLT AND WASHER

4шт.

13

04710-12020

* HOSE

2шт.

14

24067-62311

* CLIP HOSE

4шт.

Выбрано товаров: 24