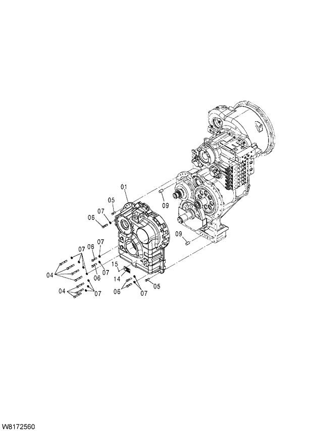
Запчасти Hitachi ZW310A 004 TRANSMISSION(4-22). 05 POWER TRAIN

Схема запчастей Hitachi ZW310A - 004 TRANSMISSION(4-22). 05 POWER TRAIN
FIT
1:1
100%

Артикул

Название

Примечание

Количество

163J2-50001

TRANSMISSION

005101-005202

1шт.

@111

000101-000238

163J2-50002

TRANSMISSION

005203-

1шт.

@222

000239-004999

1

163J2-53941

* REAR CASE

1шт.

4

01110-12080

* BOLT

7шт.

5

01183-12035

* BOLT AND WASHER

19шт.

6

01110-12050

* BOLT

Y 005101-005102

5шт.

@333

000101-000108

6

01116-12050

* BOLT

005103-

5шт.

@444

000109-004999

7

02010-00012

* WASHER SP

12шт.

9

02212-10032

* PIN

2шт.

14

+++++++++++

* PLATE;NAME

1шт.

15

14092-52141

* SCREW

2шт.

Выбрано товаров: 15