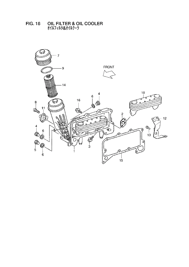
Запчасти Hitachi ZW310A 016 OIL FILTER & OIL COOLER. 02 LUBRICATION SYSTEM

Схема запчастей Hitachi ZW310A - 016 OIL FILTER & OIL COOLER. 02 LUBRICATION SYSTEM
FIT
1:1
100%

Артикул

Название

Примечание

Количество

1

A4571802210

FILTER,OIL

1шт.

2

N917003026003

GASKET

2шт.

3

N910105008035

BOLT

4шт.

4

N000908024011

PLUG

1шт.

-

N000908033004

PLUG

2шт.

5

N007604014110

PLUG

1шт.

6

N000000001103

RING,SEAL

2шт.

-

N000000001069

RING,SEAL

1шт.

-

N000000001086

RING,SEAL

1шт.

7

A5411840208

COVER

1шт.

8

A0019907212

BOLT

2шт.

9

A0149978745

RING,SEAL

1шт.

10

A0021887901

COOLER,OIL

1шт.

11

A0041532028

SENDER UNIT

1шт.

12

A4571590140

BRACKET

1шт.

13

N000000003853

BOLT

1шт.

14

A0001802109

ELEMENT

1шт.

15

A4571880280

GASKET

1шт.

16

N000000000428

BOLT

5шт.

-

N910105010025

BOLT

2шт.

-

A0019909404

BOLT

4шт.

Выбрано товаров: 21