Запчасти Hitachi ZW310A 017 WATER PUMP. 03 COOLING SYSTEM

Схема запчастей Hitachi ZW310A - 017 WATER PUMP. 03 COOLING SYSTEM
FIT
1:1
100%

Артикул

Название

Примечание

Количество

A

A4572000601

WATER PUMP ASSY

1шт.

901

NO PART NO.

KIT,IMPELLER

1шт.

902

NO PART NO.

KIT,GASKET

1шт.

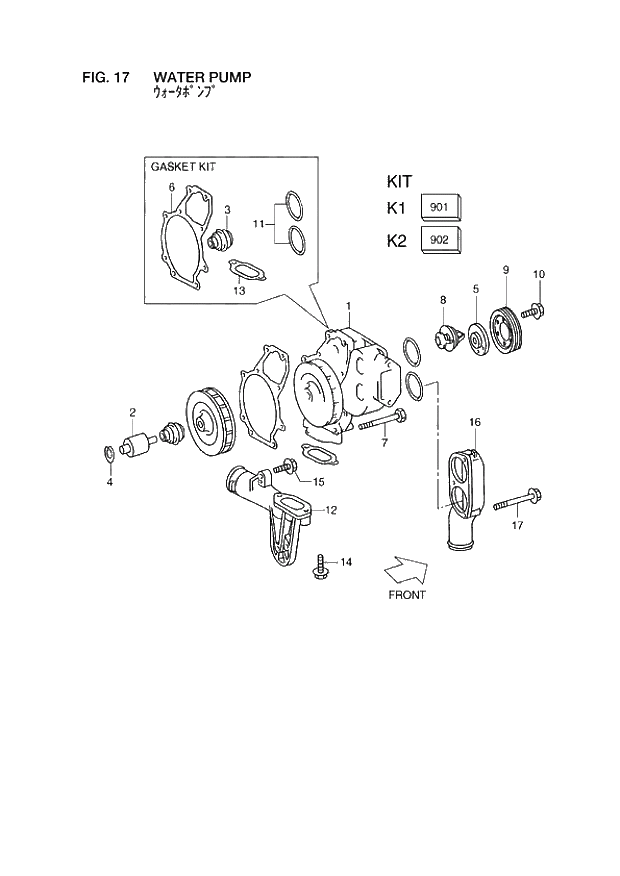
1

NO PART NO.

PUMP,WATER

1шт.

2

A4032001902

SHAFT

1шт.

-

A4032001802

SHAFT

1шт.

-

A4422000102

SHAFT

1шт.

-

A0002000002

SHAFT

1шт.

3

A0012011919

GASKET

1шт.

-

A0012011919

GASKET

1шт.

4

N000472055000

RING,LOCK

1шт.

5

A5422020114

HUB

1шт.

6

A4572010080

GASKET

1шт.

7

N910105008035

BOLT

9шт.

8

A0052032675

THERMOSTAT

2шт.

-

A0042038375

THERMOSTAT

2шт.

9

A5412020110

PULLEY

1шт.

10

N000000000436

BOLT

6шт.

11

A0249972848

RING,SEAL

2шт.

12

A4572030630

INLET,WATER

1шт.

13

A0002010980

GASKET

1шт.

14

N910105010003

BOLT

1шт.

-

N910105010001

BOLT

2шт.

15

N910105010004

BOLT

1шт.

16

A4572010231

OUTLET,WATER

1шт.

17

N910105008009

BOLT

1шт.

-

A3529904601

BOLT

2шт.

Выбрано товаров: 27