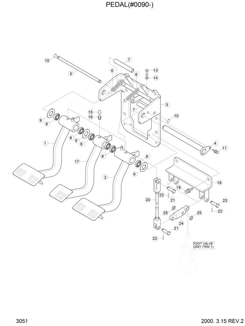
Запчасти Hyundai H70 PEDAL(#0090-)

Схема запчастей Hyundai H70 - PEDAL(#0090-)
FIT
1:1
100%

Артикул

Название

Примечание

Количество

*

85D1-30514

85D1-30514-Pedal Assy

1

85D1-30563

85D1-30563-. Pedal Wa-Lh

10

P560-090002

P560-090002-. Ring-Snap

13

S015-080302

S015-080302-. Bolt-Hex

14

S205-081002

S205-081002-. Nut-Hex

15

S653-060002

S653-060002-. Grease-Nipple

16

S654-000000

S654-000000-. Cap-Grease Nipple

17

85D1-30640

85D1-30640-. Bracket-Pedal Wa

18

85D1-30660

85D1-30660-. Bracket Wa

19

S037-102052

S037-102052-. Bolt-W/Washer

19

S037-102052

S037-102052-. Bolt-W/Washer

2

85D1-30573

85D1-30573-. Pedal Wa-Rh

20

85D1-30520

85D1-30520-. Link Assy

21

S491-080232

S491-080232-. Pin-Clevis

22

S461-250152

S461-250152-. Pin-Split

23

S491-080382

S491-080382-. Pin-Clevis

24

85D1-30531

85D1-30531-. Lever

25

S403-082002

S403-082002-. Washer-Plain

3

85D1-30650

85D1-30650-. Bracket Wa

4

85D1-30190

85D1-30190-. Pin Wa

5

85D1-30201

85D1-30201-. Pin

6

85D1-30613

85D1-30613-. Spring-Coil

7

85D1-30291

85D1-30291-. Hose-Rubber

8

85D1-30590

85D1-30590-. Bearing-Roller

9

85D1-30310

85D1-30310-. Shim-Round

Выбрано товаров: 25