Запчасти Hyundai H80 BOTTOM GUARD

Схема запчастей Hyundai H80 - BOTTOM GUARD
FIT
1:1
100%

Артикул

Название

Примечание

Количество

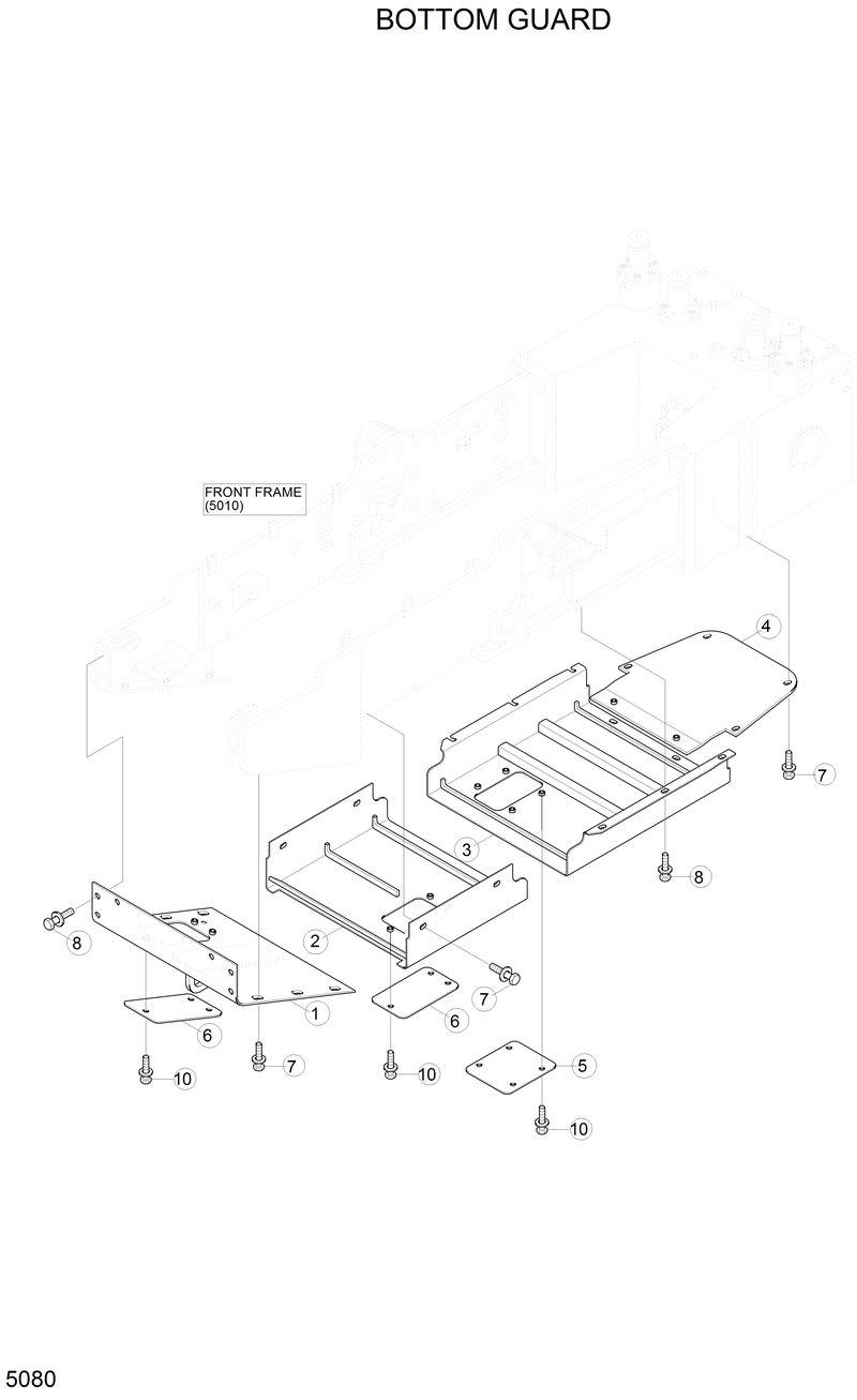
1

45D2-10011

45D2-10011-Cover Wa

10

S037-102552

S037-102552-Bolt-W/Washer

2

45D2-10021

45D2-10021-Cover Wa

3

45D2-10032

45D2-10032-Cover Wa

4

45D2-10041

45D2-10041-Cover Wa

5

45D2-10050

45D2-10050-Cover

6

45D1-10110

45D1-10110-Cover Wa

7

S037-122552

S037-122552-Bolt-W/Washer

8

S037-123052

S037-123052-Bolt-W/Washer

Выбрано товаров: 9