Запчасти Hyundai H80 SUPPORT GROUP

Схема запчастей Hyundai H80 - SUPPORT GROUP
FIT
1:1
100%

Артикул

Название

Примечание

Количество

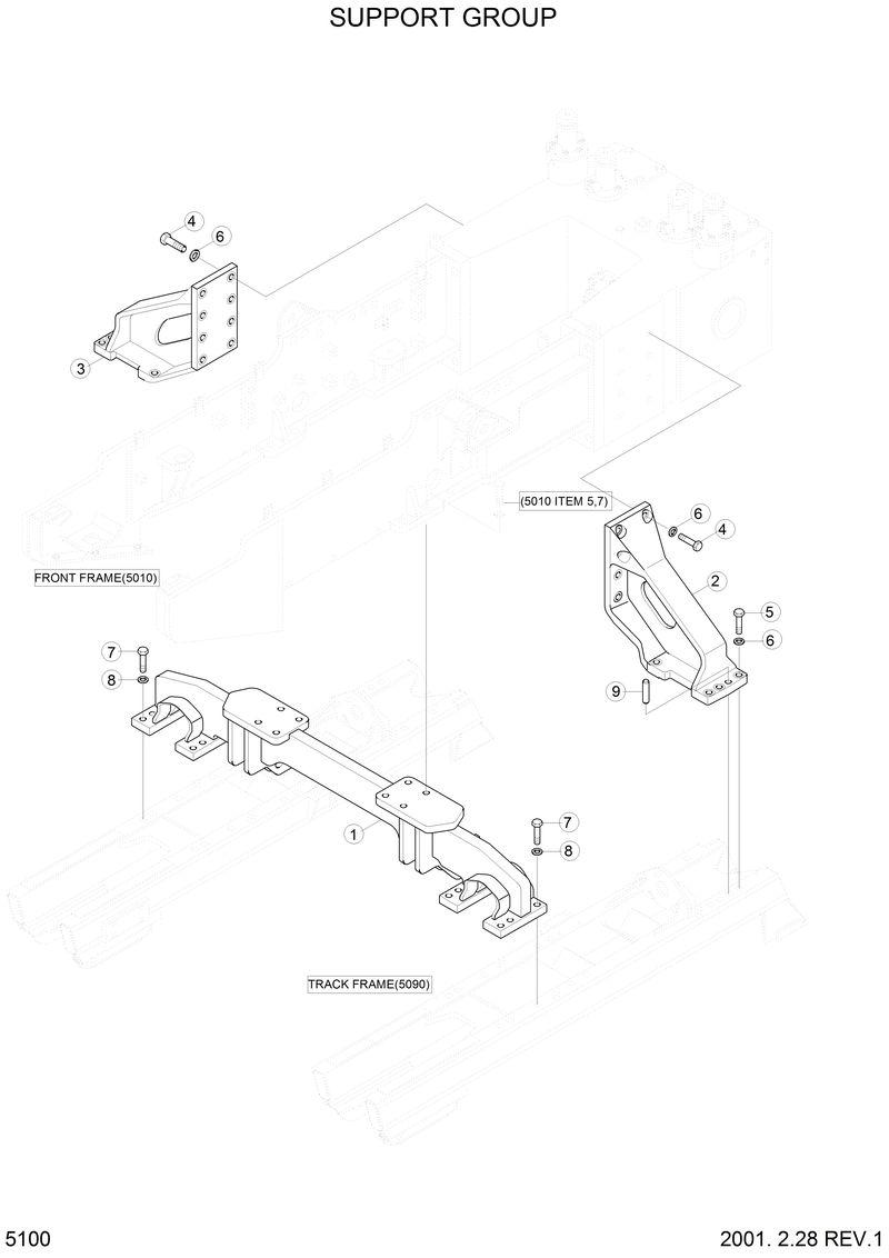
55D2-30210

55D2-30210-Cross Bar Wa-Fr

55D2-30220

55D2-30220-Rear Support-Lh

55D2-30230

55D2-30230-Rear Support-Rh

1

55D2-30012

55D2-30012-Cross Bar Wa-Fr

2

55D2-30111

55D2-30111-Rear Support-Lh

3

55D2-30121

55D2-30121-Rear Support-Rh

4

S017-200552

S017-200552-Bolt-Hex

5

S017-200602

S017-200602-Bolt-Hex

6

S441-200002

S441-200002-Washer-Hardened

7

S017-240552

S017-240552-Bolt-Hex

8

S441-240002

S441-240002-Washer-Hardened

9

55D1-30160

55D1-30160-Pin-Dowel

Выбрано товаров: 12