Запчасти Hyundai HB100 SWING POST CARRIAGE

Схема запчастей Hyundai HB100 - SWING POST CARRIAGE
FIT
1:1
100%

Артикул

Название

Примечание

Количество

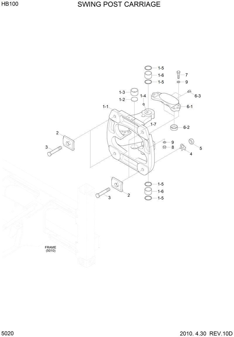
41U2-10123

41U2-10123-Holder

1

41U2-11001

41U2-11001-Swing Post Carr Assy

1-1

41U2-10011

41U2-10011-. Swing Post Carriage

1-2

41U2-10080

41U2-10080-. Plate

1-4

S651-810002

S651-810002-. Nipple-Grease

1-5

S700-070206

S700-070206-. Dust Seal-Dkiy Type

1-6

X112-702060

X112-702060-. Bushing

1-7

S353-302020

S353-302020-. Plate-Tapped,1 Hole

2

41U2-10122

41U2-10122-Holder

3

41U2-10061

41U2-10061-Bolt

4

41U2-10130

41U2-10130-Washer-Retaining

5

S206-361006

S206-361006-Nut-Hex

6

41U2-10091

41U2-10091-Cover Assy

6-2

41U2-10110

41U2-10110-. Bushing-Bronze

6-2

41U2-10110

41U2-10110-. Bushing-Bronze

6-3

S653-810002

S653-810002-. Nipple-Grease

7

S017-20090D

S017-20090D-Bolt-Hex

8

S205-201006

S205-201006-Nut-Hex

9

S403-201006

S403-201006-Washer-Plain

N6-1

41U2-10100

41U2-10100-. Cover

Выбрано товаров: 20