Запчасти Hyundai HB90 CYLINDER HEAD

Схема запчастей Hyundai HB90 - CYLINDER HEAD
FIT
1:1
100%

Артикул

Название

Примечание

Количество

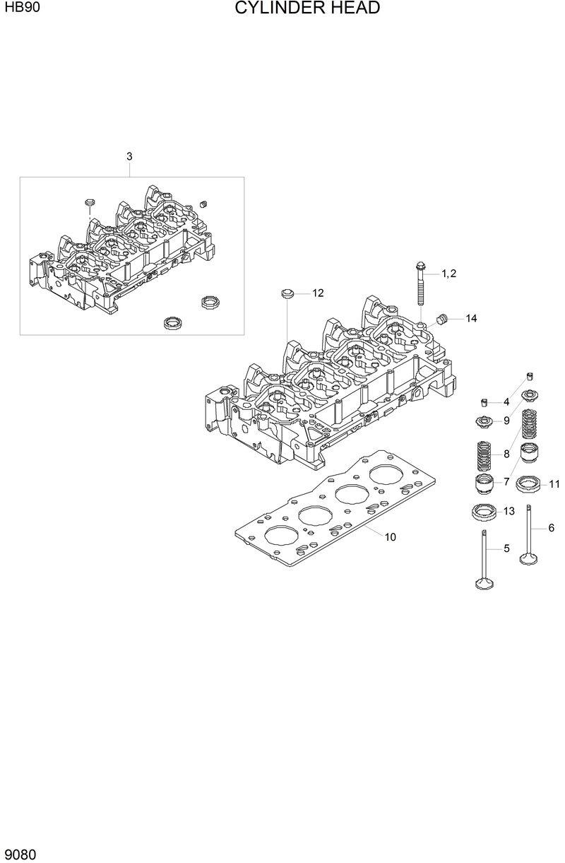
1

ZWAC-00064

ZWAC-00064-Bolt-Hex

10

ZWAC-00073

ZWAC-00073-Gasket-Cyl Head

11

ZWAC-00074

ZWAC-00074-Valve Seat-Std

12

ZWAC-00075

ZWAC-00075-Lock Plug

13

ZWAC-00076

ZWAC-00076-Valve Seat-Std

14

ZWAC-00077

ZWAC-00077-Plug

2

ZWAC-00065

ZWAC-00065-Bolt-Hex

3

ZWAC-00066

ZWAC-00066-Head-Cylinder

4

ZWAC-00067

ZWAC-00067-Cone-Valve

5

ZWAC-00068

ZWAC-00068-Valve-Exhaust

6

ZWAC-00069

ZWAC-00069-Valve-Inlet

7

ZWAC-00070

ZWAC-00070-Cap

8

ZWAC-00071

ZWAC-00071-Spring-Engine Valve

9

ZWAC-00072

ZWAC-00072-Cap-Spring

Выбрано товаров: 14