Запчасти Hyundai R27Z-9 PAGE 9180 INJECTION PUMP & DRIVE ДВИГАТЕЛЬ БАЗА

Схема запчастей Hyundai R27Z-9 - PAGE 9180 INJECTION PUMP & DRIVE ДВИГАТЕЛЬ БАЗА
FIT
1:1
100%

Артикул

Название

Примечание

Количество

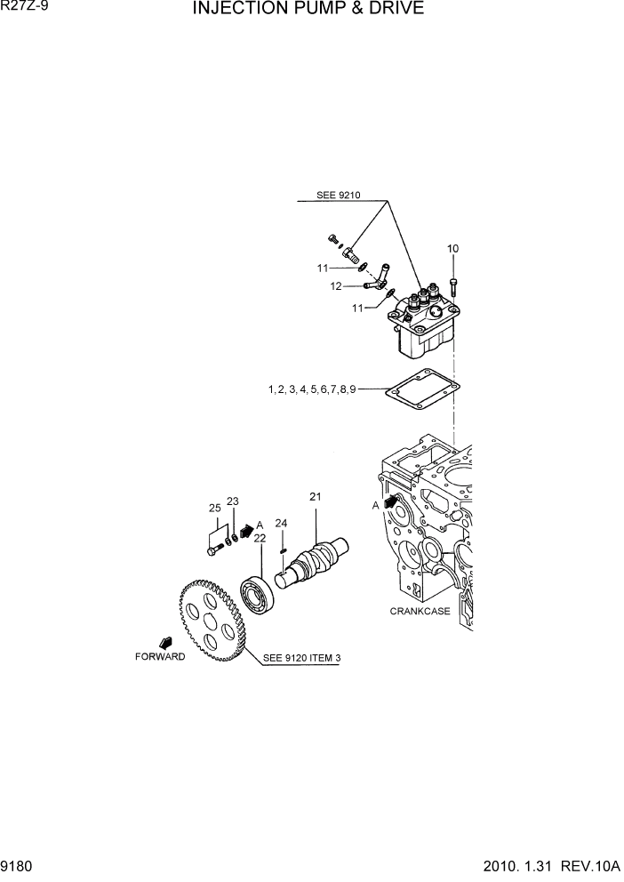
1

XJAF-02073

SHIM(0.2T)

ARшт.

2

XJAF-02074

SHIM(0.3T)

ARшт.

3

XJAF-02075

SHIM(0.4T)

ARшт.

4

XJAF-02076

SHIM(0.5T)

ARшт.

5

XJAF-02077

SHIM(0.6T)

ARшт.

6

XJAF-02078

SHIM(0.7T)

ARшт.

7

XJAF-02079

SHIM(0.8T)

ARшт.

8

XJAF-02080

SHIM(0.9T)

ARшт.

9

XJAF-02081

SHIM(1.0T)

ARшт.

10

XJAF-02888

BOLT

4шт.

11

XJAF-02953

WASHER-SEALING

2шт.

12

XJAF-02954

COLLAR-UNION

1шт.

21

XJAF-02972

SHAFT-FUEL INJ PUMP

1шт.

22

XJAF-01960

BEARING-BALL

1шт.

23

XJAF-01933

WASHER

1шт.

24

XJAF-02007

KEY-SUNK

1шт.

25

XJAF-02358

BOLT-W/WASHER

1шт.

Выбрано товаров: 17