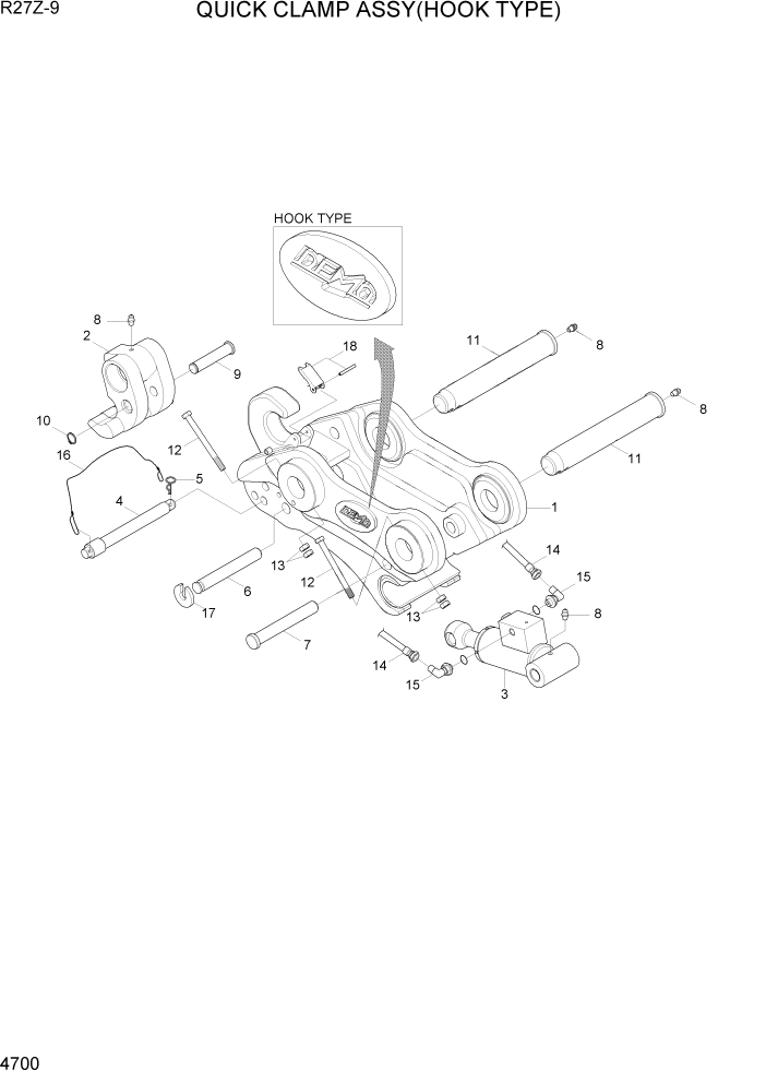
Запчасти Hyundai R27Z-9 PAGE 4700 QUICK CLAMP ASSY(HOOK TYPE) ГИДРАВЛИЧЕСКИЕ КОМПОНЕНТЫ

Схема запчастей Hyundai R27Z-9 - PAGE 4700 QUICK CLAMP ASSY(HOOK TYPE) ГИДРАВЛИЧЕСКИЕ КОМПОНЕНТЫ
FIT
1:1
100%

Артикул

Название

Примечание

Количество

*

31MK-90010

Q/CLAMP ASSY

HOOK TYPE

1шт.

1

XKBN-00394

BODY ASSY

1шт.

2

XKBN-00395

HITCH ASSY

1шт.

3

XKBN-00396

CYLINDER ASSY

1шт.

4

XKBN-00397

PIN-SAFETY

1шт.

5

XKBN-00043

PIN-SNAP

1шт.

6

XKBN-00398

PIN-HITCH

1шт.

7

XKBN-00399

PIN-FRAME

1шт.

8

XKBN-00009

NIPPLE-GREASE

5шт.

9

XKBN-00400

PIN-CYLINDER

1шт.

10

XKBN-00050

RING-SNAP

4шт.

11

XKBN-00401

PIN-BRACKET

2шт.

12

XKBN-00402

BOLT-HEX

2шт.

13

XKBN-00403

NUT-HEX

4шт.

14

XKBN-00290

HOSE-HYD

2шт.

15

XKBN-00056

ELBOW 90

2шт.

16

XKBN-00404

WIRE ASSY

1шт.

17

XKBN-00303

RING-SNAP

2шт.

18

XKBN-00051

LATCH WITH SPRING

1шт.

Выбрано товаров: 19