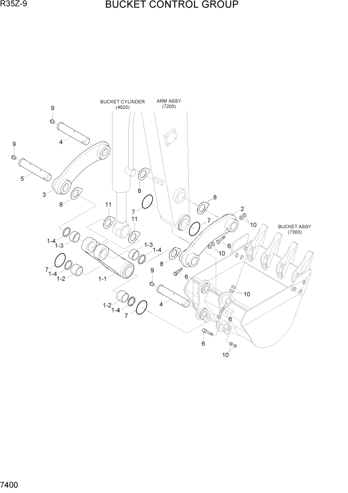
Запчасти Hyundai R35Z9 PAGE 7400 BUCKET CONTROL GROUP РАБОЧЕЕ ОБОРУДОВАНИЕ

Схема запчастей Hyundai R35Z9 - PAGE 7400 BUCKET CONTROL GROUP РАБОЧЕЕ ОБОРУДОВАНИЕ
FIT
1:1
100%

Артикул

Название

Примечание

Количество

1

62MH-40010

CONTROL ROD ASSY

1шт.

1-1

62MH-40100

CONTROL ROD WA

1шт.

1-2

62MH-15500

BUSHING

2шт.

1-3

62MH-15600

BUSHING

2шт.

1-4

Y020-040011

SEAL-DUST,DLI,KPU

6шт.

2

61MH-40020GG

CONTROL LINK WA-LH

1шт.

3

61MH-40030GG

CONTROL LINK WA-RH

1шт.

4

61MH-01501

PIN

3шт.

5

61MH-02501

PIN

1шт.

6

S017-120906

BOLT-HEX

4шт.

7

61M8-30511

O-RING

4шт.

8

61MH-08300

SHIM(1.0T)

7шт.

9

S651-810002

NIPPLE-GREASE

4шт.

10

S207-12100B

NUT-HEX

8шт.

11

61MH-08320

SHIM

2шт.

Выбрано товаров: 15