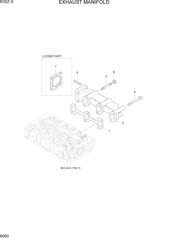
Запчасти Hyundai R35Z9 PAGE 9060 EXHAUST MANIFOLD ДВИГАТЕЛЬ БАЗА

Схема запчастей Hyundai R35Z9 - PAGE 9060 EXHAUST MANIFOLD ДВИГАТЕЛЬ БАЗА
FIT
1:1
100%

Артикул

Название

Примечание

Количество

1

XJAU-00718

GASKET-EXH MANIFOLD

1шт.

2

XJAU-00717

MANIFOLD-EXHAUST

1шт.

3

XJAU-00109

BOLT-STUD

2шт.

4

XJAU-00110

BOLT

4шт.

5

XJAU-00111

BOLT

4шт.

6

XJAU-00083

NUT

2шт.

7

XJAU-00719

GASKET

1шт.

Выбрано товаров: 7