Запчасти Hyundai R35Z9 PAGE 2050 CANOPY ROOM ELECTRIC ЭЛЕКТРИЧЕСКАЯ СИСТЕМА

Схема запчастей Hyundai R35Z9 - PAGE 2050 CANOPY ROOM ELECTRIC ЭЛЕКТРИЧЕСКАЯ СИСТЕМА
FIT
1:1
100%

Артикул

Название

Примечание

Количество

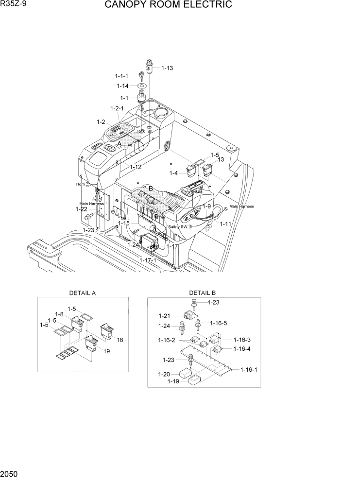
1

21MH-00310

KIT ASSY-ELEC.SEAT BASE

CANOPY TYPE

1шт.

1-1

21MH-00100

SWITCH-START

1шт.

N1-1-1

21N4-10400K

KEY-START

NOT

1шт.

1-2

21MH-00650

MONITOR ASSY

1шт.

1-2-1

21MH-00660

HOUR METER

1шт.

1-4

21M8-01101

SWITCH-MAIN LIGHT

1шт.

1-5

21E6-10460

COVER

4шт.

1-8

21MH-00121

SWITCH-TRAVEL 1/2 SPEED

1шт.

1-9

21MH-00670

SWITCH-CUT OFF

1шт.

1-11

21MH-00051

HARNESS-STAND,LH

1шт.

1-12

21MH-00361

HARNESS-STAND,RH

1шт.

1-13

21S4-01110

LIGHTER-CIGAR

1шт.

1-14

91F7-10250

DECAL-START KEY

1шт.

1-15

21MH-00211

PLATE

1шт.

1-16

21MH-00151

RELAY BOARD ASSY

1шт.

1-16-1

21MH-00161

PLATE-RELAY BOARD

1шт.

1-16-2

21S7-00110

RELAY-POWER

2шт.

1-16-3

F12860010

DETECTOR

1шт.

1-16-4

21E3-0011

RELAY

1шт.

1-16-5

S131-051046

SCREW-W/WASHER

4шт.

1-17

21MH-00371

HARNESS-RELAY BOARD

1шт.

1-17-1

21MH-00231

DECAL-FUSE

1шт.

1-19

XJAU-00289

TIMER-STOP SOL

1шт.

1-2

XJAU-00637

TIMER-AIR HEATER

1шт.

1-21

XJAU-00461

RELAY-SAFETY

1шт.

1-22

21MH-00521

PLATE

1шт.

1-23

S131-051546

SCREW-W/WASHER

4шт.

1-24

S035-061526

BOLT-W/WASHER

7шт.

13

21S1-31600

SWITCH-BEACON

1шт.

18

21M6-53850

SWITCH-QUICK CLAMP

1шт.

19

21M6-53800

SW-TRAVEL ALARM

1шт.

N

@

NOT SUPPLIED PARTS

NOT

ARшт.

Выбрано товаров: 32